Share on (316692823):
Cheap Price CE Certificate inground car scissor lift for car online selling

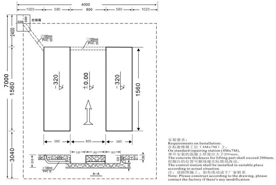
parameter
rated load:3500kg Rise time:About 50s
fall time:About 60s minimum altitude:280mm
Maximum lift height:1750mm
pumping stationInlet pump station, Italy hydraulic valve
control voltage24VDC
Solenoid valve coil:Italy imported 24V DC coil
Power Supply:Three phase four wire system 380V, 50Hz
Motor power:380V/50Hz 2.2kw(220Voptional)
bleed pressure:3-5kg/cm²
Hydraulic oil46# anti wear hydraulic oil
details
* Imported hydraulic components, good synchronization performance
* Each activity there is high quality since the lub oil bearing; Since the lock nut, locking, prevent to go back .
* Raw materials using the regular brand manufacturers to ensure quality .
* Imported seal, seal for piston and cylinder rod
* Use hydraulic and pneumatic unlock mechanical double insurance to ensure safety .
* On the wheel base of various kinds of models can choose smoked pull arm to meet the needs of the lifting machine .
*24 VDC safe voltage electrical control adopts with alarm device, optional trip switch, safe operation .
*On the circuit board control, board equipped with surge suppression circuit, terminal load name and set the work light .
*Use self-lubricating nylon slide, no noise, super wear .resistance .
* Oil cylinder is equipped with explosion-proof valve device to ensure safety .







New products from manufacturers at wholesale prices