Share on (341189971):

Features
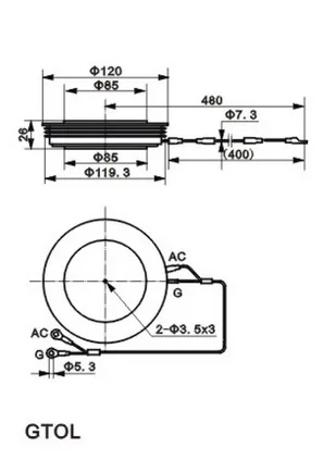
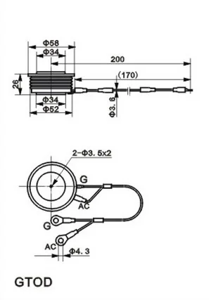
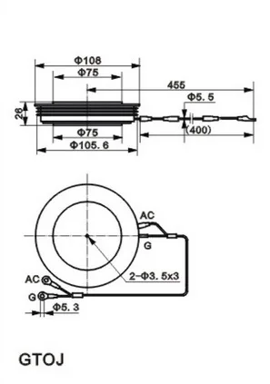
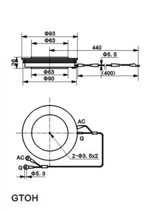
- Two outlines: disc type and stud type
- Excellent trade-off between on-state and switching losses
Application
- AC-DC-AC transmission for electric locomotive
- Chopper, inverter
- Switching circuit






Model | VDRM
V | VRRM
V | IT(AV)
A | ITSM
kA | IDRM
mA | VTM | diT/dt
A/µs | dvD/dt
V/µs | Rth(j-hs)
℃/W | Outline | ||
|---|---|---|---|---|---|---|---|---|---|---|---|---|
V | IG(ON)
A | IT
A | ||||||||||
CS-DGT304SE | 1300 | 16 | 250 | 4.0 | 25 | ≤2.2 | 2.0 | 600 | ≤500 | ≤500 | 0.075 | GTO03T |
CS-DGT305SE | 1800 | 16 | 240 | 50 | ≤2.5 |








Contact person: Ms.Liyan (sales manager)
Email: scdz(at)china-rectifier.com
Phone: +86 13920670221
Tel: +86-022-27474502
Fax: +86-022-27423301
Website: //www.china-rectifier.com
New products from manufacturers at wholesale prices