Share on (376583957):
l Product introduction
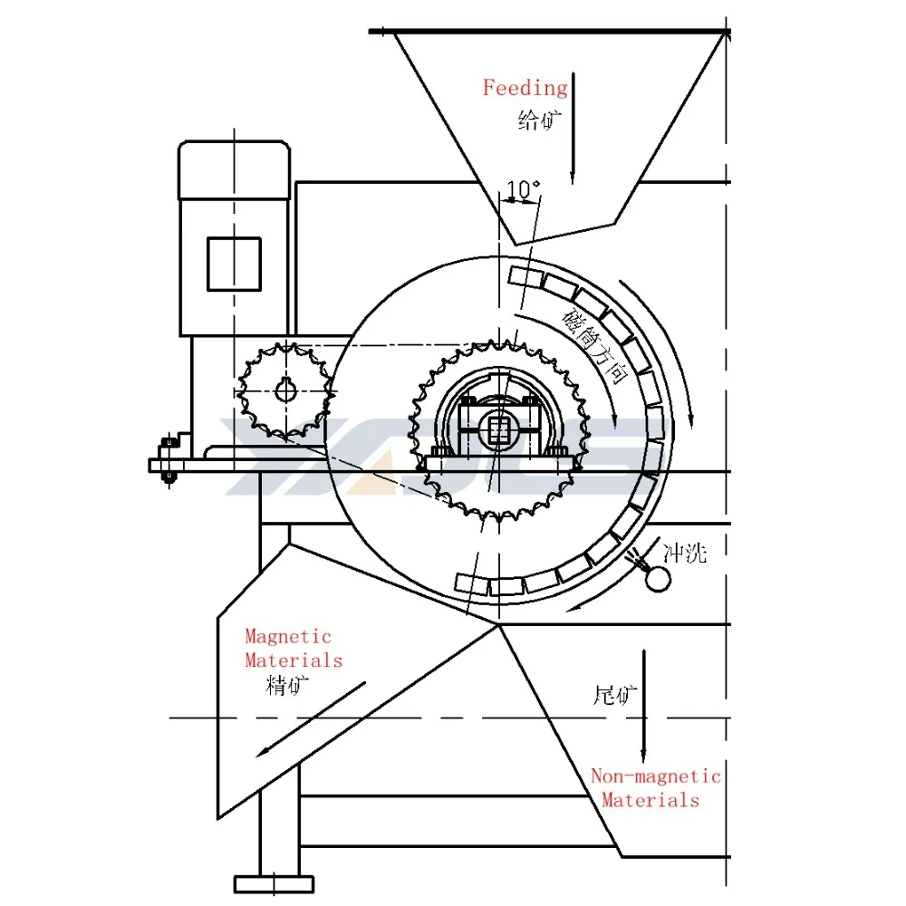
CXJ Series is mainly used to separate high intensity magnetic ore. It is applicable to separating iron in metallurgy, coal industry, mining, insulation material, cement industry, chemistry, building material, food industry, and etc. In this separator, material is fed in the same direction as the drum rotates.
This separator is of large processing capacity and is good at selecting and refining medium-large-granularity (<=10mm) high-intensity magnetic material, recovery of heavy magnetic medium, and removing iron from mineral.
It exploits high-performance permanent-magnetic Nd-iron-boron material as the magnetic source, has the characteristics of high-intensity magnetic field, strong attraction force and high separating efficiency. And it is free of maintenance, economical, safe and reliable.
It is able to adjust and control the amount of material to be fed, and is applicable to different material granularity.
l Main technical data
Model | Drum size (mm) | Intensity of magnetism field (Gs) | Number of drums | Rotating speed of drum (r/min) | Processing of drum (T/h) | Material granularity (mm) | Motor power (KW) | Overall dimensions (mm) | Weight (Kg) |
CXJ-40-1 | Φ300×400 | 2500~4000 | 1 | 16~30 | ≤3 | ≤10 | 0.75 | 920×670×1050 | 1120 |
CXJ-60-1 | Φ400×600 | 2500~4000 | 1 | ≤5 | ≤12 | 0.75 | 1150×880×1220 | 1350 | |
CXJ-60-2 | Φ400×600 | 2500~4000 | 2 | ≤10 | ≤15 | 0.75×2 | 1150×1520×1220 | 1980 | |
CXJ-80-1 | Φ450×800 | 2500~4000 | 1 | ≤10 | ≤15 | 1.5 | 1380×960×1280 | 1500 | |
CXJ-80-2 | Φ450×800 | 2500~4000 | 2 | ≤15 | ≤15 | 1.5×2 | 1380×1650×1280 | 2200 | |
CXJ-100-1 | Φ500×1000 | 2500~4000 | 1 | ≤20 | ≤15 | 1.5 | 1630×1000×1350 | 1850 | |
CXJ-100-2 | Φ500×1000 | 2500~4000 | 2 | ≤30 | ≤15 | 1.5×2 | 1630×1780×1350 | 2880 | |
CXJ-120-1 | Φ600×1200 | 2500~4000 | 1 | ≤35 | ≤18 | 1.5 | 1880×1960×1460 | 2400 | |
CXJ-120-2 | Φ600×1200 | 2500~4000 | 2 | ≤60 | ≤18 | 1.5×2 | 1880×1180×1460 | 3260 | |
CXJ-150-1 | Φ800×1500 | 2500~4000 | 1 | ≤60 | ≤20 | 2.2 | 2160×1480×1680 | 2850 | |
CXJ-150-2 | Φ800×1500 | 2500~4000 | 2 | ≤90 | ≤20 | 2.2×2 | 2160×2250×1680 | 3280 | |
CXJ-200-1 | Φ1000×2000 | 2500~4000 | 1 | ≤80 | ≤25 | 3 | 2860×1750×1880 | 3650 | |
CXJ-200-2 | Φ1000×2000 | 2500~4000 | 2 | ≤120 | ≤25 | 3×2 | 2860×2850×1880 | 4580 |
New products from manufacturers at wholesale prices