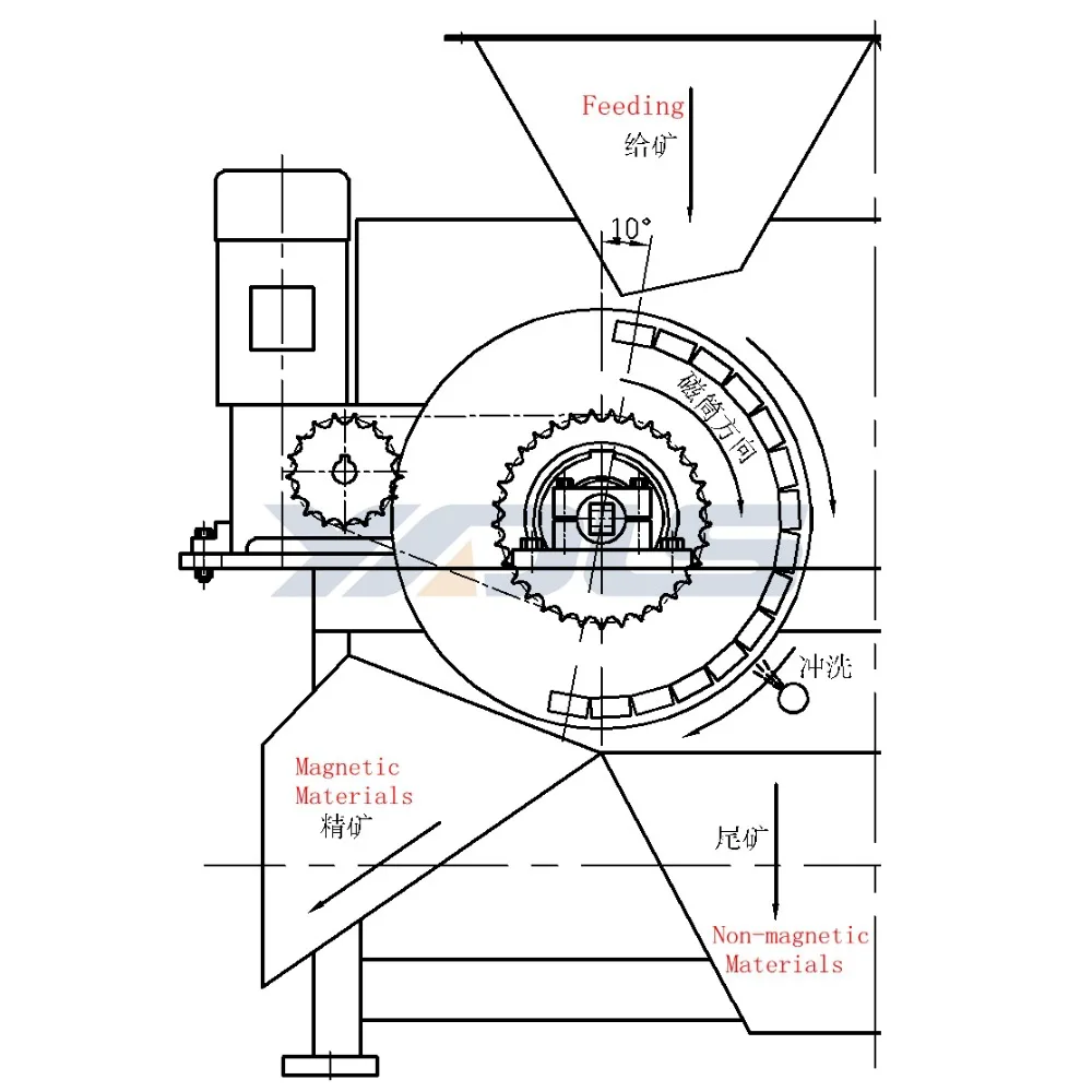
Dry Permanent Magnetic Drum Separator

Share on (378272278):


Price:

Quantity:


Product Overview

Description

Product description is temporarily unavailable. Click "Buy" for details

0.2008 s.