Share on (590919171):
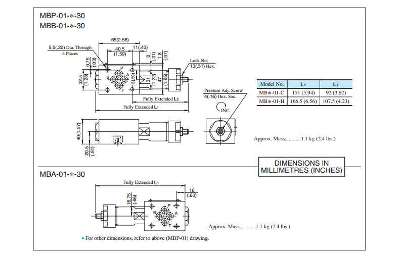
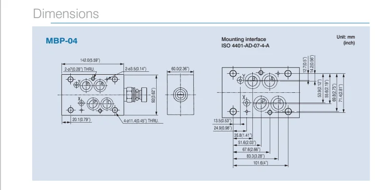
Yuken MB of MBP-01,MBA-01,MBB-01,MBW-01,MBP-03,MBA-03,MBB-03,MBW-03,MBP-04,MBA-04,MBB-04,MBW-04,MBP-06,MBA-06,MBB-06,MBW-06 hydraulic modular pressure relief valve,hydraulic valves
1. Totally interchangeable with original
2. For different kinds of hydraulic systems
3. Nominal size:06,10,16,25
4. Max. operating presure 31.5Mpa(315bar), max. flow 250 L/min
5. It‘s pipeless stack type valve which is designed to meet various technological requirement of new era
6. The valve is standardized in accordance with each size, any hydraulic circuit can be composed by bolting the various stacks together
7. Very competitive price
8. 1 year of warranty
9. Short delivery time
Some models for your reference:
MBA-01-H-30 | MBA-01-C-30 | MBA-06-H-H | MBA-06-C |
MBA-06-H | MBP-01-H-30 | MBA-03-H-30 | MBA-04-C-20 |
MBA-04-H-20 | MBB-01-C-30 | MBB-01-H-30 | MBB-03-H-30 |
MBB-04-C-20 | MBB-04-H-20 | MBB-06-H | MBB-06-C |
MBB-06-B | MBB-06-H-M | MBP-01-C-30 | MBP-03-B-30 |
MBP-03-H-30 | MBP-04-C-20 | MBP-04-H-20 | MBP-06-B |
MBW-01-H-30 | MBW-01-B-30 | MBW-03-B-30 | MBW-04-H-20 |
MBW-04-C-20 | MBA-03-B-30 | MBP-01-B-20 |
Technical Specifications:








New products from manufacturers at wholesale prices