Share on (592115020):
About us
In Ningbo Dongfang Die-casting machine Tool Co.,Ltd., the goal of manufacturing famous products and developing the company for centuries has been passed on from generation to generation. In past 37 years, we always have perisistently pursue to provide perfect hot/ cold chamber die casting machine and sincere service. Die casting machine use the hydralic pressure theory to shapping the metal products.

* With a history of over 37 years * Factory Area : 40,000 square meters
*Employees : More than 500 *Production Capacity : 10,00-sets yearly capacity
*Company owed Tech & Research center * Main Machines: 100sets

| The project | The unit | J215A |
| Die locking force | KN | 580 |
| Stroke of moving plate | mm | 210 |
| Inner space between the bars(H*V) | mm | 311*311 |
| Thickness of die block (Min./Max.) | mm | 120/320 |
| Injection force | KN | 60 |
| Injection stroke | mm | 130 |
| Injection Position | mm | 0,-50 |
| Ejection force | KN | 50 |
| Ejection stroke | mm | 60 |
| Max.projecting area of casting | cm2 | 189 |
| Working pressure of vane pump | MPa | 11.5 |
| Motor power | KW | 9.5 |
| Dosage of fluid metal per shot(Zinc) | kg | 1.3 |
| Effective volume of crucible(Zinc) | kg | 160 |
| Oil consumption of burner | kg/h | 1.5~6.0 |
| Volume of oil tank | kg | 280 |
| Machine weight | kg | 3500 |
| Overall dimensions (L*W*H) | mm | 3600*1500*2000 |
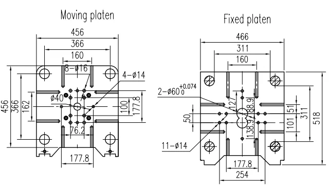
The mould installation drawing

J215A lead pressure die casting machin Features and applications
This lead pressure die casting machine is suitable for die casting of non-ferrous metal with low melting point, such as Zn, Pb and its alloy. It is widely applied for die casting of fittings of automobile and motorcycle, and parts for instrument and meter, and household appliance hardware of daily necessities.
This die casting machine is controlled by industrial level microcomputer. The die casting process parameter can be set up through the person-machine interface, which is convenient and time-saving and effortless in operation and maintenance. Besides, the machine has remote machine control and trouble locating functions.
The hydraulic system of the machine adopts pressure double-scale system so that can be adjusted at discretion. The ejecting system use large-caliber logic and cantilever beam-type oil-way, which ensure high ejecting speed. This machine is equipped with high quality electronic and hydraulic parts, ensuring a reliable and safe whole-machine
FAQ
Q:Are you a manufacturer of a trade company?
A:We are a manufacturer.And we have our own Export rights.
Q:If we don't know how many tons machine will be suitable for our products ,what we should do ?
A:It 's no proplem.You can send us the the weight ,size and the materials of your products and our professional master will recommend the most suitable machine with you .
Q:How is your delivery time?
A:Generally ,we can dilivery the machine within 7-10 days after receiving your advance payment.
But it also depends on the iterm and the quantity of your order.
Q:How about the payment terms?
A:Generally ,the 30% T/Tdeposite ,the balance 70% T/T before delivering the goods.
Q:How about your warranty and after-sales services?
A:We have one one year warranty for the machine .Our professional masters could overseas to help to install and debug the machine also providing free training until you have got the skill.
Q:How about your packing ?
A:Generally ,the machines are in nude packing and the spare parts are in wooden cases.
If you want to know more details pls contact:
New products from manufacturers at wholesale prices