side view 0603 470nm blue side view smd led chip

Share on (60067935288):


Price:$8.00 - $10.00

Quantity:


Product Overview

Description



Specification





Side View 0603 Blue LED

SV-0603-20UB2AA-A



Product Description


Features

Side looking special for LCD backlight.
•Package in 8mm tape on 7" diameter reels.
•Compatible with automatic Pick & Place equipment.
•Compatible with Infrared and Wave soldering reflow solder processes.
•EIA STD package.
•I.C. compatible.

Chip Materials

Dice Material : InGaN

•Light Color : Blue
•Lens Color : Water Clear



Absolute Maximum Ratings (Ta=25℃)




Electro-Optical Characteristics (Ta=25℃)





Bin Code List





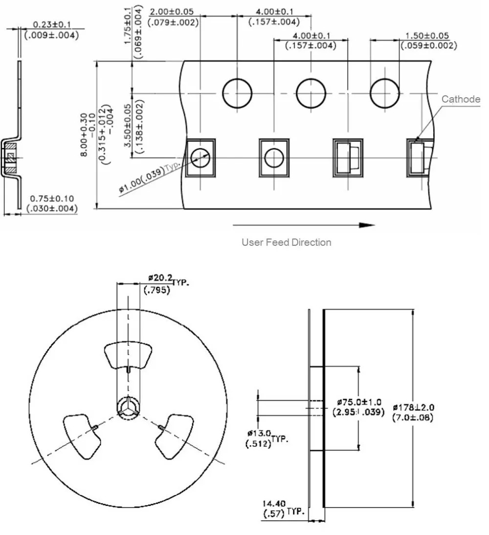
Package Dimension





Tape Dimensions





Recommended Products                                                                                   




Company Information












Certifications




Payment Terms






We accept official Bank Wire transfer and for sample amount payment customer can use
Paypal, Western Union, Alipay and Ecrow …etc.




Detailed Images


Product Description


Packing & Delivery


0.8344 s.