Share on (60086056869):
MTB-02 Hysteresis Clutches Magnetic damper for Tension Control
Damper general for tension control and test tension on machine
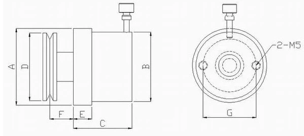
A. characteristics
1. The magnetic damper and name tension controller, tension control or brake, is a constant torque transmission medium of the magnetic field of the device.
Damping disk with magnets, no sliding friction without contact, the service life is long, tension control extremely stable.
2. Installation simple structure, the output torque is convenient adjustment.
3. Structure compact design, small size, can be in all sorts of steady work position.
B. Adjustment methods and use the matters needing attention
1. Recommends that customers will scale value transferred to use 4 or above, if this time tension too large, had better choose a smaller size specifications of damper.
2. If in scale value below 4, may have used the pulse of the force. Please click HouXiang 3 stated way eliminate pulse.
3. Loosen screw, will turn to 10, turn the scale axis at the same time slow will scale turn to 0, and then turn to
Scale needed to tighten lock screw, value.
4. If use appeared in the process of tension, please repeat the above phenomenon pulsation adjustment method 3 steps until the satisfied tension.
5. Damper magnet produce media magnetic field, use material, the use of large brittle do not open it, lest attaint parts.
Specifications of magnetic damper


Model | Applied wire diamiter(mm) | Tension scope(cn) |
MTB-02 | φ 0.04— φ 0.08 | 10g— 50 g |
MTB-03 | φ 0.09— φ 0.15 | 40g— 150 g |
MTB-04 | φ 0.16— φ 0.50 | 160g— 1200 g |
MTB-05 | φ 0.40— φ 1.00 | 200g— 2000g |
MTB-06 | φ 1.00— φ 3.00 | 800g— 3600g |
MTB-08 | φ 3.00— φ 6.00 | 3600g— 6500g |


Model MT02

Model MT04

Model MT 03

Model MT06

Model MT07

Delivery and shipping
All goods would be checked well and packed safely before shipping

If you're interested in our wire tensioner accessories magnetic damper brake controller for control tension, welcome to buy the quality products at low price from our factory. As one of the leading manufacturers in China, we also support customized service. For more details, contact us now.

For more details pls feel free contact us!
New products from manufacturers at wholesale prices