Share on (60159320476):

1.height sensor
2. Apply to Plasma CNC cutting machine
3. Power supply: AC24V
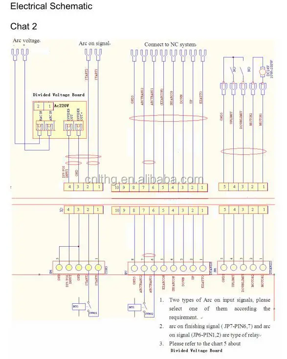
In the process of cutting, plasma torch height controller is an important conditions to ensure the height of the cutting torch to the steel plate unchanged.
PTHC-II can set according to the arc pressure value,on the rugged steel plate to continuous adjustment the height of cutting torch, thus to ensure the height of the cutting torch to the steel plate keep constant.Automatic control cutting distance,enables you to gain smooth,superior slot, reduce workpiece scrap, and improve the cutting speed and efficiency.
When PTHC-II work in automatic or manual operation.You Can operate direction swith on the panel to control the lifter of the motor.
When switch to automatic mode, and have input arc pressure,the controller according to the arc pressure setting on the PTHC-II panel to control the cutting height.Keep the cutting torch at this level, even if the cutting path is on bent steel plate.
3) Applications:
Used for cutting torch auto height control of plasma cutting machine, cnc plasma torch height control is suitable for vast majority of imported or domestic models of plasma.
4) Specifications
Working voltage | AC24±5%,50Hz/60Hz |
| Driving Mode | PWM |
| Lifter Motor | DC24V DC Motor |
| Output current | 1A-4A |
| Output power | 100W |
| Working temperature | Height controller -10-60°C |
| IHS style | Switch inspecting IHS |
| Running transfer | Alternative Arc transfer and pierce transfer |
| Divided voltage ration | 100:1 |
| Accuracy | ±1V - ±5V,adjustable |
| Accuracy | 310mmX210mmX95mm(LXWXD) |






6)Packing Details:
7)Maintenance Skills:
1. Install the plasma torch height controller correctlly.
2. Replace the consumbles in time before completely damaged.
3. Avoid the collision of the torch height controller.
4. Keep the connection threads clean.
5. Check if there are loose parts.
8) Company Show:

9)Competitive Advantage:
1. Professional manufacturer for CNC Cutting Machine Accessories
2. More than 16 years experience
3. Factory direct price and on time delivery
4. Secure Ordering and worldwide delivery
5. Sample available 6. Small quantity acceptable
7. OEM workable
10) Certificates:


10) Transportation:
For small quantity are usually sent by Express (Air ), such as DHL, FeDex, TNT, UPS, EMS,freight prepaid or freight collect by customers' account; For large quantity are usually sent by Sea. 
New products from manufacturers at wholesale prices