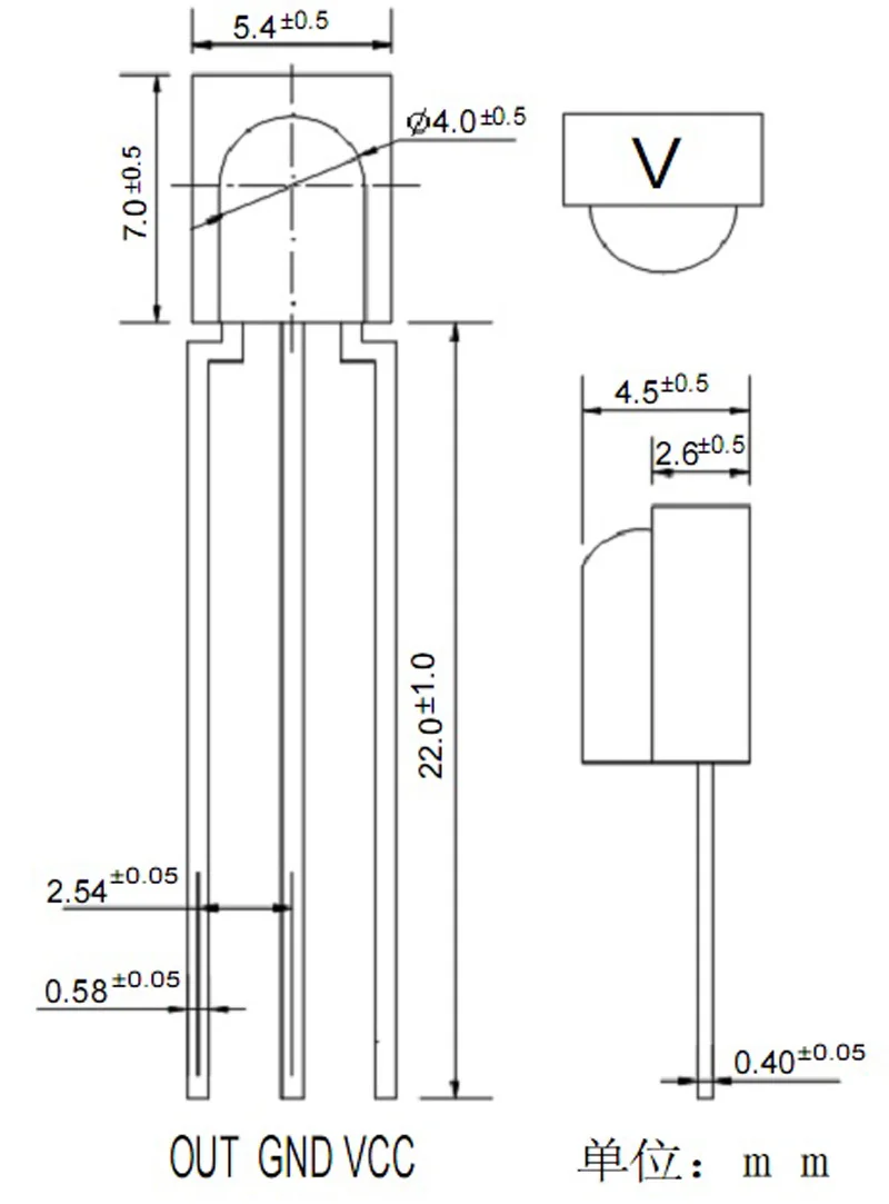
Share on (60206194113):


Parameters | Mark | Test condition | Min | Type | Max | Unit | ||||
Working votage | VCC | 2.7 | 5.5 | V | ||||||
Working Current | Icc | 0.6 | 0.8 | - | mA | |||||
Quiescent current | Ice | With out signal | 0.1 | 0.5 | mA | |||||
Receive distance | L | ※ | 20 | 23 | M | |||||
Receive angle | θ1/2 | +/-60 | Deg | |||||||
Carrier frequency | f0 | 38 | KHZ | |||||||
BMP width | fBW | -3Db Bandwidth | - | 8 | - | kHz | ||||
Low output | VOL | Vin=0V Vcc=5V | 0.4 | V | ||||||
High output | VOH | Vcc=5V | Vcc-0.3 | Vcc | V | |||||
Output pulse Width | TPWL | Vin=50mVp-p | 500 | 600 | 700 | μS | ||||
TPWH | Vin=50mVp-p | 540 | 640 | 740 | μS | |||||







New products from manufacturers at wholesale prices