Share on (60209861277):
24vdc relay Specification:
1.Input and output electro-optic isolation or transformer isolation;
2.Input constant current control and LED display,control signal and TTL & CMOS logic is compatible;
3.Bidirectional controlled sillion or unidirectional controllable counter-parallel output,zero electric current opening zero electric current shutdown;
4.Power solid state uses the SCR chip counter-parallel output and working is stable;
5.Buit-in resistance-capacitance absorbing circuit,dead zone voltage and small harmonic interference;
6.Higher than of 2.5KV safe isolation voltage between the input output and ledger wall’s;
7.Small volume,small input power, non-contact, sparkless, noiseless, non-machinery wear, anti-vibration and the long life.
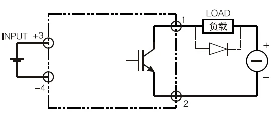
Solid state relay connection diagram:

Technical Specification & Diemsnion Drawing For XSSR-DD-W1:
Model: XSSR-DD--W1


Product Model |
XSSR-DD--W1 | |
| Control Voltage | 5-30VDC | |
| Control Current | 4-25mA | |
| Reverse Voltage | 30VDC | |
| Guarantee close voltage | 1.5VDC | |
| Guarantee open voltage | 3VDC | |
| Load Voltage | 12-250VDC, 12-400VDC | |
| Load Max Current | 5A-40A | |
| Load Mini Current | 0.06A | |
| Breakover Voltage | ≤1.8VDC | |
| Output Leakage Current | ≤1mA | |
| Medium withstand voltage | ≥2500VAC | |
| Insulating resistance | ≥100MΩ | |
| Switching time | ≤5mS | |
| Operating temperature | -20-70℃ | |
| Load current safety factor | resistive load 40-50% | |
inductive load 20-30% | ||
You may interest our other solid state relay models:

Established in 2002, Zhejiang Xurui Electronic Co., Ltd is a factory specialized in the research, development and manufacture micro switch, limit switch, toggle switch, foot switch, solid state relay, reed switch, proximity switch and mercury switch.
We have attained many quality certifications like U L, T U V, C E, C C C and others by our strict quality management and perfect after-sale service system. Therefore, our products enjoy very high reputation in the market of America, Mexico, Brazil, Germany, UK, Spain, Turkey, the middle east, Southeast Asia, and other markets.
Our company is taking the quality first as the objective, the perfection as the policy.
It is our invariable purse to provide much better products and perfect service to our customers.
Our Service:
1. Factory supply directly and have competitive price.
2. Short delivery time: stock 2 days, order around 15-20days.
3. New packing design and new product reseach development.
4. Accept to customize products up to specification.
5. Provide prompt service and after-sale service.
New products from manufacturers at wholesale prices