Share on (60231342979):
Side Mount Level Switch
We are a professional source factory,
with good product quality and cheap price
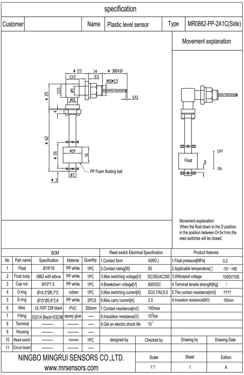
MR0862-PP





operating principle
Liquid level sensors mainly consists of magnetic Reed switch and floater . There is a magnetic material in the floater that will trigger the magnetic Reed switch as the level of the liquid tested moves up and down , and thus detecting the position of the liquid level.
characteristic
Liquid level sensors used imported components and is provided with characteristics such as compact size ,simple working principle, highly reliable and inexpensive.Floating balls with different materials and specifications are available for selection .Electrical parameters can be changed in accordance with client's requirement,and special specification can also be customized.


This product can be used in liquid level control for watering machine , water heater , solar energy ,air conditioning , moisturizing machine , bathroom utensil , vending machine ,oil tank , water tower and chemical industrial ,etc. It will bewidely applied in motor vehices ,industrial equipment , agricultural equipment and household electrical appliances in the Future.



Ningbo Mingrui Sensor Co., Ltd. is a national high -tech enterprise dedicated to sensor, centralized lubrication, and various controller research and development and manufacturing. The main products include various types of hydraulic sensors, non -contact sensors, close to sensors, car oil/water tank sensors, flow sensors, photoelectric sensors, lubricating oil pump controllers, car chassis lubricating controller, fresh air/air purification controller, etc., etc. Products are widely used in various fields such as home appliances, medical equipment, machinery, electronics, water pumps, water purification treatment, and centralized lubrication systems of automotive chassis, and are customized and developed according to customer needs.
Since its establishment in 2007, the company has obtained 5 invention patents, 3 practical new patents, and 7 software copyrights after the unremitting efforts of the R & D team. Quality management system certification. The corporate purpose of "faith, with sincerity, and winning", adhering to the "technical innovation,The quality policy of customer satisfaction continues to improve quality and services, meet customer requirements and surpass customer expectations.


Our factory management is in accordance with international 5S standards, strict requirements and supervision of the various production processes.


We attended the Electronica in Germany in Nov 2014, new products have won the praise of many buyers.

New products from manufacturers at wholesale prices