Share on (60254574979):
Linear Motion bearing unit/block SC(S)...UU SC(S)...LUU series with bronze bush
Linear bearing is a low-cost production of linear motion system for unlimited travel in conjunction with the cylinder axis. Since carrying the ball point contact with the shaft, so the use of small loads. With minimal friction ball rotation, which can obtain high-precision smooth movement.Low noise, low friction, high precision, high life.Because of point contact between ball and straight axis, friction small, motion precision is high.
Linear bearings are used in conjunction with hardened linear shaft. For an infinite linear motion systems. Ball and hardened shaft because it is the point of contact, allowing the load is small, but the linear motion of the minimum friction, high precision, fast movement. Mainly used for linear motion passed.
Application
Linear motion guide rail and block TBR/SBR Series with smooth serface, little friction,low noise,they are widely used in linear motion system.For example, punch, tool grinding machine,automatic cutting machine, printer, card sorting machine, Food Packing Machine, other sliding parts on industrial machinery.

Standard | Basic load rating | Weight (gf) | Dimensionsmm) | ||||||||||||||
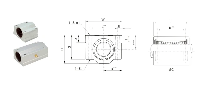
Designation | Liner Bearing | Dynamic C N | Static Co N | Shaft Diameter | Nominal Dimensions(mm) | SC...UU | |||||||||||
h | D | W | H | G | A | J | E | S1×I | S2 | K | L | ||||||
SC8UU | LM8UU | 260 | 400 | 56 | Φ8 | 11 | 17 | 34 | 22 | 18 | 6 | 24 | 5 | M4×8 | Φ3.4 | 18 | 30 |
SC10UU | LM10UU | 370 | 540 | 90 | Φ10 | 13 | 20 | 40 | 26 | 21 | 8 | 28 | 6 | M5×12 | Φ4.3 | 21 | 35 |
SC12UU | LM12UU | 410 | 590 | 112 | Φ12 | 15 | 21 | 42 | 28 | 24 | 8 | 30.5 | 5.75 | M5×12 | Φ4.3 | 26 | 36 |
SC13UU | LM13UU | 500 | 770 | 123 | Φ13 | 15 | 22 | 44 | 30 | 24.5 | 8 | 33 | 5.5 | M5×12 | Φ4.3 | 26 | 39 |
SC16UU | LM16UU | 770 | 1170 | 189 | Φ16 | 19 | 25 | 50 | 38.5 | 32.5 | 9 | 36 | 7 | M5×12 | Φ4.3 | 34 | 44 |
SC20UU | LM20UU | 860 | 1370 | 237 | Φ20 | 21 | 27 | 54 | 41 | 35 | 11 | 40 | 7 | M6×12 | Φ5.2 | 40 | 50 |
SC25UU | LM25UU | 980 | 1560 | 555 | Φ25 | 26 | 38 | 76 | 51.5 | 42 | 12 | 54 | 11 | M8×18 | Φ7 | 50 | 67 |
SC30UU | LM30UU | 1560 | 2740 | 685 | Φ30 | 30 | 39 | 78 | 59.5 | 49 | 15 | 58 | 10 | M8×18 | Φ7 | 58 | 72 |
SC35UU | LM35UU | 1600 | 3130 | 1100 | Φ35 | 34 | 45 | 90 | 68 | 54 | 18 | 70 | 10 | M8×18 | Φ7 | 60 | 80 |
SC40UU | LM40UU | 2150 | 4010 | 1600 | Φ40 | 40 | 51 | 102 | 78 | 62 | 20 | 80 | 11 | M10×25 | Φ8.7 | 60 | 90 |
SC50UU | LM50UU | 3820 | 7930 | 3350 | Φ50 | 52 | 61 | 122 | 102 | 80 | 25 | 100 | 11 | M10×25 | Φ8.7 | 80 | 110 |







If you need please feel free to contact!
Changsha Terry Machinery Co. Ltd
Email: mery(at)ntl-bearing.com
Mob/ WeChat: 0086-18932445295
WhatsApp:0086-18932445295
Skype: mery.zhou1
LinkedIn : mery(at)ntl-bearing.com
New products from manufacturers at wholesale prices