Share on (60415506462):
Plumbing hose nut swivel joint fittings rotating coupling rotary joint for steam
What is the condition of our 3001 series rotary joint?
medium | Oil ,steam,hot water |
Max temperature | 300℃ |
Max pressure | 2.5MPA |
Max speed | 200RPM |
Size | 3/4"—4" |
options | Mono flow and dual flow configurations available |
Connection | Flange or thread |
Material | No.45steel bearing,gray iron housing |
What is the advantages of our 3001 series rotary joint?
1.The structure is simple and reliable , it's easy to maintain.
2.The use of spherical seal,it can achieve the effect of automatic concentric
3.The use of the 304 spring, can achieve the fuction of automatic compensation
4.The use of graphite bearing, no external oil
5.Numerical control processing,have good process management and strict processing mode,the quality is guaranteed
6.Suitable for a wide range of applications, it can be used for high temperature, high pressure situations
7.Homemade production and large inventory of different sizes
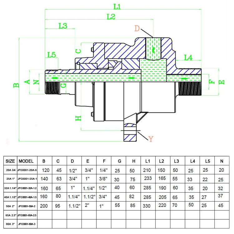
What is the specification of our 3001 series rotary union?
Plumbing hose nut swivel joint fittings rotating coupling rotary joint for steam :
What is the application of our 3001 series rotary joints?
The application field of rotary joint cover almost every manufacturing industry. Such as: metallurgy, machine tool,The power, Oil,Rubber plastics,Spinning,Printing, Pharmaceutical, Cigarette, Paper,Food,Feed processing.

Foshan Nanhai Hongchang Jefer Electromechanical Valve Co.,Ltd is a factory set up in 2006. We are specializing in researching, developing and manufacturing different kinds of rotary joints, flexible metal hose, rubber hose , bellow expansion joint and valve equipment in China.
Our factory is covering over 10,000 square meters. Our R&D department consists of 3 engineers. Also, we have experienced QC personnel to check all our products strictly before packaging . All of our products meet the national standards and have pass ISO9001 certification. We obtain trust from customers by advanced technology, excellent quality and satisfactory service. Also, we specialized in customized rotary joints tailored to meet your project requirements.
Our mission is: Offer high-quality goods, excellent service, and reasonable price to customers; Use our product, you will get more benefits!

1.Q.What kind of medium that the rotary joint used for ?
A.We have different kind of rotary joint for hot /coolant water,steam, hot/oil,air.
2.Q.Can you custom based on my specification or drawing?
A.Yes, customized the specification or drawing is aviailable, just according to your request.
3.Q.What is Minimum Order Quantity?
A.The MOQ is 1pcs of each kind.
4.Q.What is the price of your products?
A.Different kind of our products have different price, should be decided according to specified size.we can supply the best and competitive price to you.
5.Q.What is the payment terms?
A. You can througth T/T(30% as desposit,the rest 70% balance payment will be paid before shipment),Western union,Paypal,Escrow.
6.Q.What is the delivery time?
A.Normally after confrim payment 3-7 days for samples;5-25 days for batch goods
7.Q. What's your shipment methods?
A. FEDEX/DHL/UPS/TNT for samples,Door -to-Door;By Air or Sea for batch goods,Airport/Port receiving;and customers specifying freight forwarders or negotiable shipping methods!Normally 15 Days for delivery ,according to your order quantity.
8.Q.What is the quality of our products?
A.our products is 100%QC inspection before shippment,so don't worry .
9.Q. Why choose our company?
A. We are a factory mainly run in supply rotary joint,expansion joint ,metal hose and teflon hose ect,so we can provide competitive price to you based on reasonable profit.have the best production capability and best quality control.we offer you not only the products,but also the professional service!!!
Do your want to have another kind of our rotary joint?
New products from manufacturers at wholesale prices