Share on (60455010246):
| HY Air-Operated Diaphragm Pump Features |

| HY Air-Operated Diaphragm Pump Details |

A: Increased munber of ports for installation flexibility
B:Modular air valve for stall-free ,low pulsation operation ,providing smooth and rapid changeover
C:Up to 5x longer diaphragm life for less maintenance and downtime
D:Four bolt joint design provides even sealing pressure for optimal performance
| HY Air-Operated Diaphragm Pumps Selection |
| Technical parameters |
| Mode | Max.Suction Lift (dry\\wet,m) | Max. particle diameter (mm) | Suction and discharge size (inch) | Air inlet size (inch) | Max. flow rate (L/min) | Max. air consumption (m3/min) |
| HY-15/20 | 4 \\ 7.6 | 2.5 | 1/2 3/4 | 1/4 | 57 | 0.672 |
| HY-25 | 4 \\ 8 | 4 | 1 | 1/2 | 157 | 1.7 |
| HY-40 | 5 \\ 8 | 5 | 1½ | 1/2 | 358 | 3.5 |
| HY-50 | 5 \\ 8 | 6 | 2 | 1/2 | 587 | 4.9 |
| HY-80 | 5 \\ 8 | 9.4 | 3 | 3/4 | 1060 | 9.1 |
| Model sheet |

| HY Air-Operated Diaphragm Pump Application |
HY air-driven diaphragm pumps Widely used in the transport of diesel, petrol, gear oil, hydraulic oil ,etc .
Can effectively carry and distribute lubricant oils to machinery as part of an automatic lubrication system.

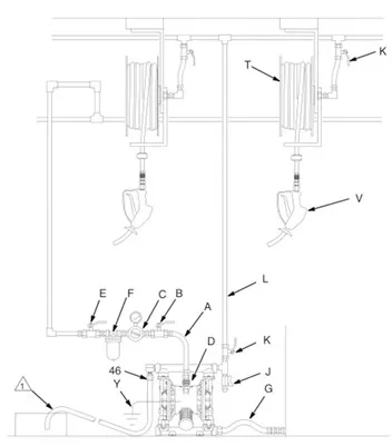
![]() | Fuel Dispenser System
A. Air supply line B. Bleed-type master air valve C. Air regulator D. Air line quick disconnect E. Master air valve F. Air line filter G. Fluid suction line J. Fluid drain valve K. Fluid shutoff valve L. Fluid line T. Hose reel V. Fuel dispense valve Y. Ground wire 46 Pressure relief valve |


| HY Air-Operated Diaphragm Pump Installation |
HaoYang AODD pumps are suitable for an endless variety of applications . Our pumps can be deployed in fixed installations within a process flowsystem, or used as portable or mobile units that can be transported to where it is to be used.
| ![]() |
| Pump, self-priming | Pump with positive suction |
![]() | ![]() |
| Pump, submerged | Pump for drums |
| HY Company information |
Shanghai Haoyang Pump Valve Manufacturing Co., Ltd.designed and manufactured for over 10 years in Shanghai,China. HaoYang Air-Operated Double Diaphragm (AODD) pumps have earned industry recognition for premium quality and innovative design. And we supply accessories and components suitable for most AODD pump installations.To ensure suitability for a variety of media, wetted parts are available in numerous optional materials.
Focus on customer satisfaction is supported with quality and reliability, validated by CE certifications.We specify only the most durable materials that are dependable and long-lasting. When we combine the highest-quality products with topnotch customer care, we get outstanding value. 

| FAQ |
1. Q: Are you a factory or trading company?
A: We are a factory.
2. Q: What're your payments ?
A: T/T,Western Union,L/C etc.
3. Q: What about the package ?
A: Standard export plywood case or carton.
4. Q: How long is the warranty ?
A: According to international standards, products in standard operation is 1 year,except wearable parts.
5. Q: The use of products have?
A: The pump can suck the peanut, pickles, tomato slurry, red sausage, chocolate, hops and syrup etc.
The pump can suck the paint, pigment, glue and adhesive etc.
The pump can suck various glazed slurries of tile, porcelain, brick and chinaware etc.
The pump can suck various toxin and flammable or volatility liquid etc.
The pump can suck various strong acid, alkali and corrosive liquid etc.
6. Q: How product quality and service?
A: Our pump have CE certificate, quality assured, can accept OEM, provide various personalized needs.
If you want to know more details, Please send inquiry to me,
We are very glad to hear from you !
Click " Send " Now!
New products from manufacturers at wholesale prices