Share on (60504741756):
[Brake Lever Over Center Locking Hand Control]

Description: Applications:
Brake Lever • Mobile equipment
Industrial Over Center Locking • Industrial equipment
Hand Control
Features: Material:
• Loads: 1000lb • Coated Carbon
• Travel: 2-7/16 maximum Steel
• Side and flange mounting • Non-corrosive
• Epoxy finish or electrostatic Bushings
paint on lever and side plates • Plastic Knob
• Corrosion-resistant
components
• Attachment hardware included
• Tamper-resistant knob
(option)
• Weather-resistant switch
(option)
[Hand Control Industrial]
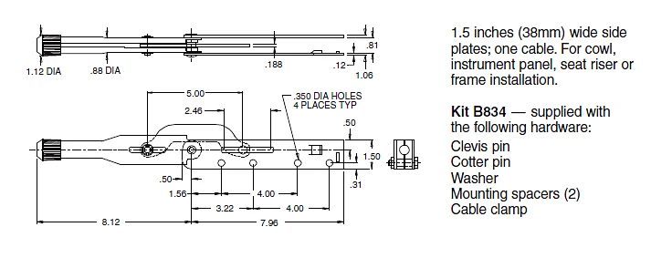
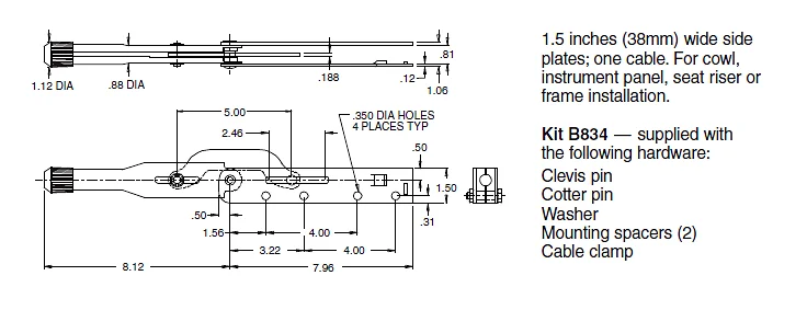
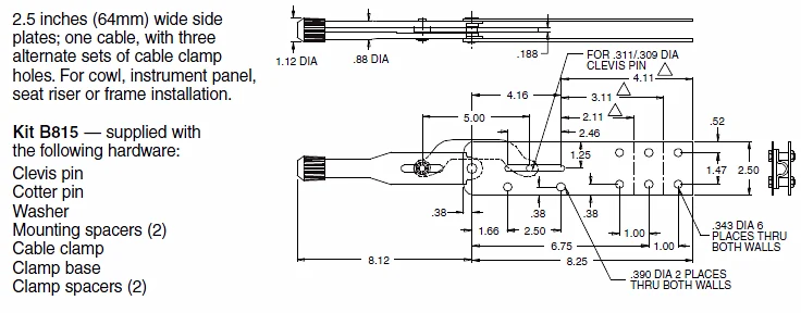
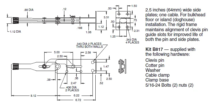
Our park brake levers offer superior performance, quality and service life to both the designer and user. The lever has two distinct positions, over-center and off, which are approximately 90° apart. There is no ratcheting to limit travel or secondary unlocking required for operation. A heat-treated 4130 load link provides an excellent combination of qualities for durability and reliability. An integral adjusting knob allows for setting the initial cable tension, travel, and to compensate for system wear. Side or flange mounted configurations are available for increased adaptability. The input lever and side plates have anepoxy finish or electro-static paint, and all other components are coated for corrosion resistance. A tamper-resistant knob to inhibit unauthorized adjustment, and a weather-resistant switch at the off position, are both available as options. The levers are supplied with hardware necessary to attach the cable end fittings to the load link. Technical descriptions show the various choices available to meet specific customer needs.
[Brake Lever]
• Dimension A is with the lever in full “OFF” position. Use dimension A in calculating cable length.
• Dimension B minimum is with the lever in full “ON” position and adjusted for minimum (CCW) travel. Use
dimension B minimum during installation and initial adjustment. Turn knob (CW) to add travel and increase
brake pressure setting.
• Dimension B maximum is with the lever in full “ON” position and adjusted for maximum (CW) travel.
Side Mount 165-508-008

Side Mount 165-508-009

Flange Mount 165-508-010

Side Mount 165-508-011

Side Mount 165-508-013

Flange Mount Rigid 165-508-023

Side Mount 165-508-028

Flange Mount 165-508-078

[Our Services]
If you are interested in our products,please tell us which model,quality you want to order.
A performa invoice will be made for your order.
We will deliver the product ASAP when we receive your payment.
Please contact us without hesitation, we are pleased to welcome to you!!!
PHIDIX MOTION CONTROLS(SHANGHAI) CO.,LTD
Add: Building #21, Block 9299, Tingwei Road, Jinshan District, Shanghai 201505
Tel: (86-21)37214606/ 07/ 08/ 09
Fax: (86-21)37214610
MP: 13916612486
Website: www.mechanical-controlcable.com
E-mail: info @phidixglobal.com
Please find our on-line catalogue by
https://phidixglobal.en.alibaba.com/productlist.html?spm=a2700.8304367.topnav.2.42d9fe5aBxe8Bj
New products from manufacturers at wholesale prices