Share on (60515954772):
Model directions

Oil Pump
Motor:4KW, 380V AC, 50Hz,
Type: 4BP3 60-15/4V,
Flow 60m3/hr,
Speed:1400rpm,
Lift 15m
General situation of the product
The carefully casting BP1 type electrical machinery voltage transformer oil pump (here after referred to as the oil pump)is mainly used in the forced voltage transformer oil circle of the cooling system of the large-scale voltage transformer, electric cooker voltage transformer, electric locomotive voltage transformer and other special-purposed voltage transformers. The products of our factory are designed meticulously by the experienced senior technical staif, and its elects the domestic most advanced water conservancy model for use and adopts the resembling design, so the oil pump is of high efficiency and good performance, the electromotor adopts the axial magnetic field induction-motor, the stator and rotor consist two discal iron cores. The pump and electrical machinery are united as a whole, and this structure is an ideal oil transporting equipment of the cooling voltagetransformer which has many merits such as the structure is of novelty, compactness and good rigidity, without the axis being sealed (padding or mechanical seal), without leakage, operating on an even keel and of reliable work.
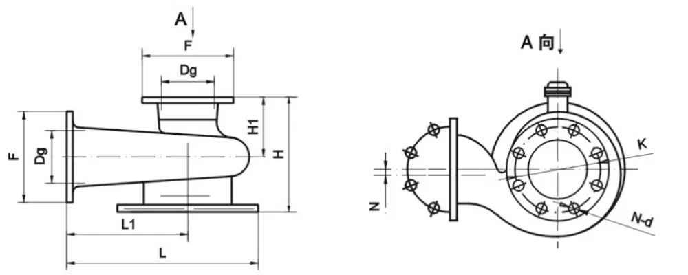
Structure drawing

Service condition
Elavation above sea level shall not be more than 1000m
Conveying fluid is transformer oil.
Ambient temperature is -25℃ ~ +40℃
The highest oil temperature in the entry of transformer oil is 95℃ and the lowest is 5℃ more than the solidifyingn point of transformer oil.
The power source is three-phase alternating current. The rated voltage is 380V and the rated frequency is 50Hz.
The operation mode is continuous servise in S1 working system.

Pre sale service | |
a. | make technical solution |
b. | send quotation, technical data sheet and drawing |
c. | prepare power transmission plan, testing plan and shipment plan |
2. | In sale service |
a. | supervise the manufacturing schedule totally in accordance with the plan |
b. | send photos to customer during every manufacturing process(hold point) |
c. | inform the customer one week before testing. |
3. | After sale service |
a. | installation and commissioning, training the workers |
b. | quick response within 12 hours any time |
c. | provide 12 months guarantee period normally. |
What is your delivery time ? | |
A: | Depend on the type of transformer. |
2. Q: | What is your payment term? |
A: | 30% advance by T/T , 70% before delivery by T/T or L/C or we can discuss about it. |
3. Q: | What kind of standard you follow? |
A: | IEC, ANSI, CSA, GB, etc |
4. Q: | What kind of supporting documentation you can provide normally |
A: | Quotation, outline drawing, manufacturing plan, quality control plan |
5. Q: | What is your normal warranty period? |
A: | 12 months after transformer operation. |
6. Q: | Can u do installation and commission in user's site? |
A: | Yes, we can send our installation team to user's country for service. |
7. Q: | Do you have any experience in this kind of transformer? |
A: | Yes, we can provide reference list for check. |
--From the very beginning, VILLE ensures quality in every step to achieve the best quality.
Experience Sharing
--With more than 30 years’ experience in power industry, VILLE brings you an optimized solution.
Global Service
--Wherever you are, VILLE global network will support and provide you with value.
Quick Response
--In response to your needs without delay, VILLE knows the value of your time.
New products from manufacturers at wholesale prices