Share on (60527530499):

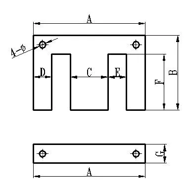
| EI-silicon steel (Standard size ) | ||||||||
| Size | A | B | C | D | E | F | G | Holes(Φ) |
| EI-28 | 28 | 21 | 8 | 4 | 6 | 17 | 4 | |
| EI-30 | 30 | 20 | 10 | 5 | 5 | 15 | 5 | |
| EI-33 | 33 | 22 | 11 | 5.5 | 5.5 | 16.5 | 5.5 | |
| EI-35 | 35 | 23.4 | 11.6 | 5.84 | 5.84 | 17.46 | 5.84 | |
| EI-38.4 | 38.4 | 25.6 | 12.8 | 6.4 | 6.4 | 19.2 | 6.4 | |
| EI-38.4 | 38.4 | 44.8 | 12.8 | 6.4 | 6.4 | 38.4 | 6.4 | |
| EI-41 | 41 | 27 | 13 | 6 | 8 | 21 | 6 | 3.2 |
| EI-42 | 42 | 28 | 14 | 7 | 7 | 21 | 7 | 3.5 |
| EI-48 | 48 | 32 | 16 | 8 | 8 | 24 | 8 | 3.5 |
| EI-50 | 50 | 34 | 14 | 9 | 9 | 25 | 9 | |
| EI-54 | 54 | 36 | 18 | 9 | 9 | 27 | 9 | 3.5 |
| EI-57 | 57 | 38 | 19 | 9.5 | 9.5 | 28.5 | 9.5 | 4.0 |
| EI-60 | 60 | 40 | 20 | 10 | 10 | 30 | 10 | 3.5 |
| EI-66 | 66 | 44 | 22 | 11 | 11 | 33 | 11 | 4.5 |
| EI-75 | 75 | 50 | 25 | 12.5 | 12.5 | 37.5 | 12.5 | 5.0 |
| EI-76.2 | 76.2 | 50.8 | 25.4 | 12.7 | 12.7 | 38.1 | 12.7 | 5.0 |
| EI-78 | 78 | 52 | 26 | 13 | 13 | 39 | 13 | 5.0 |
| EI-78 | 78 | 53 | 22 | 14 | 14 | 39 | 14 | 5.0 |
| EI-84 | 84 | 56 | 28 | 14 | 14 | 42 | 14 | 5.0 |
| EI-85.8 | 85.8 | 57.2 | 28.6 | 14.3 | 14.3 | 42.9 | 14.3 | 5.0 |
| EI-96 | 96 | 64 | 32 | 16 | 16 | 48 | 16 | 6.3 |
| EI-105 | 105 | 70 | 35 | 17.5 | 17.5 | 52.5 | 17.5 | 6.0 |
| EI-108 | 108 | 72 | 36 | 18 | 18 | 54 | 18 | 5.5 |
| EI-114 | 114 | 76 | 38 | 19 | 19 | 57 | 19 | 7.0 |
| EI-120 | 120 | 80 | 40 | 20 | 20 | 60 | 20 | 7.0 |
| EI-126 | 126 | 84 | 42 | 21 | 21 | 63 | 21 | 7.0 |
| EI-132 | 132 | 88 | 44 | 22 | 22 | 66 | 22 | 7.0 |
| EI-133.2 | 133.2 | 88.8 | 44.4 | 22.2 | 22.2 | 66.6 | 22.2 | 7.0 |
| EI-144 | 144 | 98 | 40 | 26 | 26 | 72 | 26 | 7.0 |
| EI-150 | 150 | 100 | 50 | 25 | 25 | 75 | 25 | 8.0 |
| EI-152.4 | 152.4 | 101.6 | 50.8 | 25.4 | 25.4 | 76.2 | 25.4 | 8.0 |
| EI-162 | 162 | 108 | 54 | 27 | 27 | 81 | 27 | 8.5 |
| EI-168 | 168 | 112 | 56 | 28 | 28 | 84 | 28 | 10.0 |
| EI-171 | 171 | 114 | 57 | 28.5 | 28.5 | 85.5 | 28.5 | 9.0 |
| EI-174 | 174 | 116 | 58 | 29 | 29 | 87 | 29 | 10.5 |
| EI-180 | 180 | 120 | 60 | 30 | 30 | 90 | 30 | 9.0 |
| EI-182 | 182 | 123.9 | 56 | 30 | 33 | 100 | 33 | 8.0 |
| EI-192 | 192 | 128 | 64 | 32 | 32 | 96 | 32 | 9.0 |
| EI-210 | 210 | 140 | 70 | 35 | 35 | 105 | 35 | 9.0 |
| EI-240 | 240 | 160 | 80 | 40 | 40 | 120 | 40 | 12.0 |
| EI-270* | 270 | 180 | 90 | 45 | 45 | 135 | 35 | 10 |
| EI-228 | 228 | 152 | 76 | 38 | 38 | 114 | 38 | 10.3 |
| EI-300* | 300 | 200 | 100 | 50 | 50 | 150 | 50 | 12.0 |
| EI-360* | 360 | 240 | 120 | 60 | 60 | 180 | 60 | 12.0 |






New products from manufacturers at wholesale prices