Share on (60542890124):
[Heavy - Duty Throttle Industrial Pedal Foot Control]

Description: Applications:
Heavy-Duty Throttle • Medium-duty trucks
Industrial Pedal Foot Control • Heavy-duty trucks
• Construction equipment
• Farm equipment
• Buses
Features: Material:
• Die cast & steel components • Coated sheet metal
• Multiple base bolt patterns • Plastic bushings
• Spring returned pedal • Plastic boot plated steel hardware
• Adjustable pedal angle
• Throttle cable exit is adjustable
• Travel: 2.00 maximum Suggested:
• -25°F — 160°F temp range End Fittings
(-14°C — 90°C) • Clevis and pin,
• Corrosion-resistant die cast or end fitting with
components, plated steel right angle bend
hardware, and plastic bushings
[Foot Control Industrial]
The 165-574-001 and -002 throttle pedals are intended for medium and heavy-duty trucks, construction and farm equipment, and buses. The -001 configuration is a foot throttle only design.
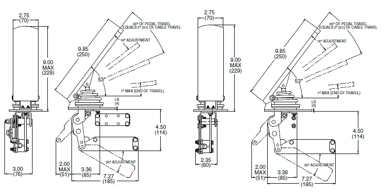
The -002 configuration adds hardware allowing for a manual remote hand operated throttle control. A torsion spring is incorporated for idle position return. Environmental contamination is minimized by a plastic boot installed between the pedal and mounting base. Idle pedal position and throttle travel is adjustable to meet user requirements. The entire lower portion of the assembly can be inserted through a cutout in the floor, and will rotate 360° and down 30° maximum from horizontal to optimize throttle cable routing. Multiple fastener holes are incorporated into the base to accommodate different mounting patterns.
The pedal surface is ribbed to reduce foot slippage and increase strength. Corrosion-resistant die cast components, plated steel hardware, and plastic bushings all provide years of smooth, trouble-free service.
[Heavy- Duty Throttle]
Standard Pedal 165-574-001
For use with one Pull-Only accelerator cable.


All line art dimensions are represented as follows: in (mm)
[Our Services]
If you are interested in our products,please tell us which model,quality you want to order.
A performa invoice will be made for your order.
We will deliver the product ASAP when we receive your payment.
Please contact us without hesitation, we are pleased to welcome to you!!!
PHIDIX MOTION CONTROLS(SHANGHAI) CO.,LTD
Add: Building #21, Block 9299, Tingwei Road, Jinshan District, Shanghai 201505
Tel: (86-21)37214606/ 07/ 08/ 09
Fax: (86-21)37214610
MP: 13916612486
Website: www.mechanical-controlcable.com
E-mail: info @phidixglobal.com
Please find our on-line catalogue by
https://phidixglobal.en.alibaba.com/productlist.html?spm=a2700.8304367.topnav.2.42d9fe5aBxe8Bj
New products from manufacturers at wholesale prices