Share on (60558167590):
[S/SS/SC Series Ball Jointsall Joints]

Description: Applications:
S/SS/SC Series Ball Joints Light to medium-duty
Quick Disconnect with Spring linkage applications, including:
or Spring Clip • Cable assemblies
• Light industrial applications
• Agricultural, lawn and
garden equipment
• Racing (throttle links)
Features: Material: Material:
• Three different configurations, Ball Stud Spring: S and SS
all with steel ball stud, sleeve • Low Carbon Steel, • Stainless Steel
and body to match your Heat Treated Spring Clip: SC
load and cost requirements • Zinc Plated, Yellow • Hardened
• Quick pull back, "no tools Dichromate Treated Spring Steel
required" disconnect
assembly provides easier Material: Material:
access, faster maintenance Sleeve Body: S and SS
• Can be used in a wide • Low Carbon Steel • Low Carbon Steel
range of temperatures: • Zinc Plated, Yellow Body: SC
-60°F — 250°F Dichromate Treated • Low Carbon Steel,
(-51°C — 121°C) Heat Treated
• Right and left-handed • Zinc Plated, Yellow
versions available Dichromate Treated
• Custom sizes and
assemblies can be built
to your specifications
• S/SS Series meets
SAE J490 specification
(S: type S/style 1
SS: type S/style 2)
[Ball Joints]
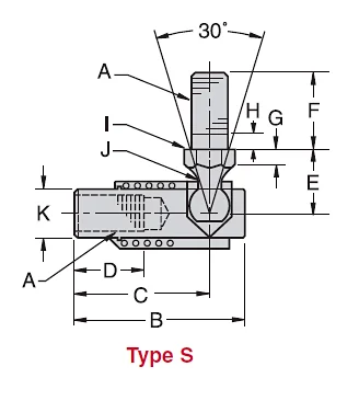
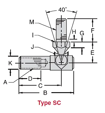
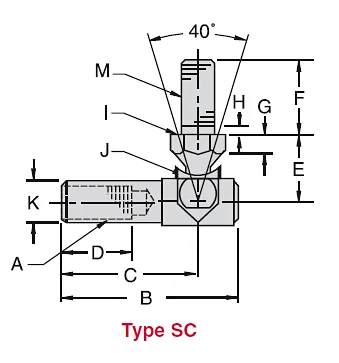
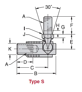
Suitable for applications requiring quick disconnect capabilities, the S/SS/SC Series offers three different styles of fast assembly/disassembly ball joints.
• S Series: spring loaded sleeve, smaller ball joint sizes
• SS Series: exposed spring loaded sleeve,
larger sized applications
• SC Series: ball stud is retained by a spring clip, for lower load and fewer disconnection
requirements, most economical alternative
S/SS/SC Series "quick disconnect" ball joints are especially effective in applications requiring numerous and/or fast assembly/ disassembly of the ball joint. Ball stud, sleeve and body components
are produced from low carbon steel and are zinc plated and yellow dichromate treated for extended corrosion resistance. The ball stud is heat treated on all models for extended wear resistance. Right and left-handed thread versions available.
The S/SS/SC Series are just three of many within our broad line of ball joints. For full product line detail, contact us for a comprehensive catalog.
[Quick Disconnect with Spring or Spring Clip]


[Our Services]
If you are interested in our products,please tell us which model,quality you want to order.
A performa invoice will be made for your order.
We will deliver the product ASAP when we receive your payment.
Please contact us without hesitation, we are pleased to welcome to you!!!
PHIDIX MOTION CONTROLS(SHANGHAI) CO.,LTD
Add: Building #21, Block 9299, Tingwei Road, Jinshan District, Shanghai 201505
Tel: (86-21)37214606/ 07/ 08/ 09
Fax: (86-21)37214610
MP: 13816744282
Website: www.mechanical-controlcable.com
E-mail: info @phidixglobal.com
Please find our on-line catalogue by
https://phidixglobal.en.alibaba.com/productlist.html?spm=a2700.8304367.topnav.2.42d9fe5aBxe8Bj
New products from manufacturers at wholesale prices