paper cutting machine vertical film slitting machine rewinding machine

Share on (60617899092):


Price:

Quantity:


Product Overview

Description


Product Description

LFQ-A slitting and rewinding machinery for roll paper cutting

flat bottom paper bag making machine
bopp slitting and rewinding machine

LFQ-A Series Vertical Automatic Slitting & Rewinding Machine  is suitable for slitting and rewinding such various roll materials as BOPP, PET, CPP, CPE, PVC, aluminum foil and paper, plastic film, glassine, nonwoven fabric, aluminum foil, paper, photo-sensitive material etc. and can cut edge, separate and cut material according to different requirements during production.

.

Main Technical Varia

 

Roll material sample
Detailed Images


Name: Unwinding Part

Automatic EPC for unwinding, photocell is suitable for tracking the edge and color of transparent material.

Main Motor:with frequency converter for speed regulation



Name: Rewinding part


Brand: Queensense
Original: ruian, wenzhou
Double cam shaft for rewinding, Magnetic clutch control for rewinding tension control


Name: Control Panel


Brand: Queensense
Original: Chins
Independent master control panel, more flexible and even easier operation.

Equipped with rim charge conveying device. 

Equipped with Automatic meter counting device

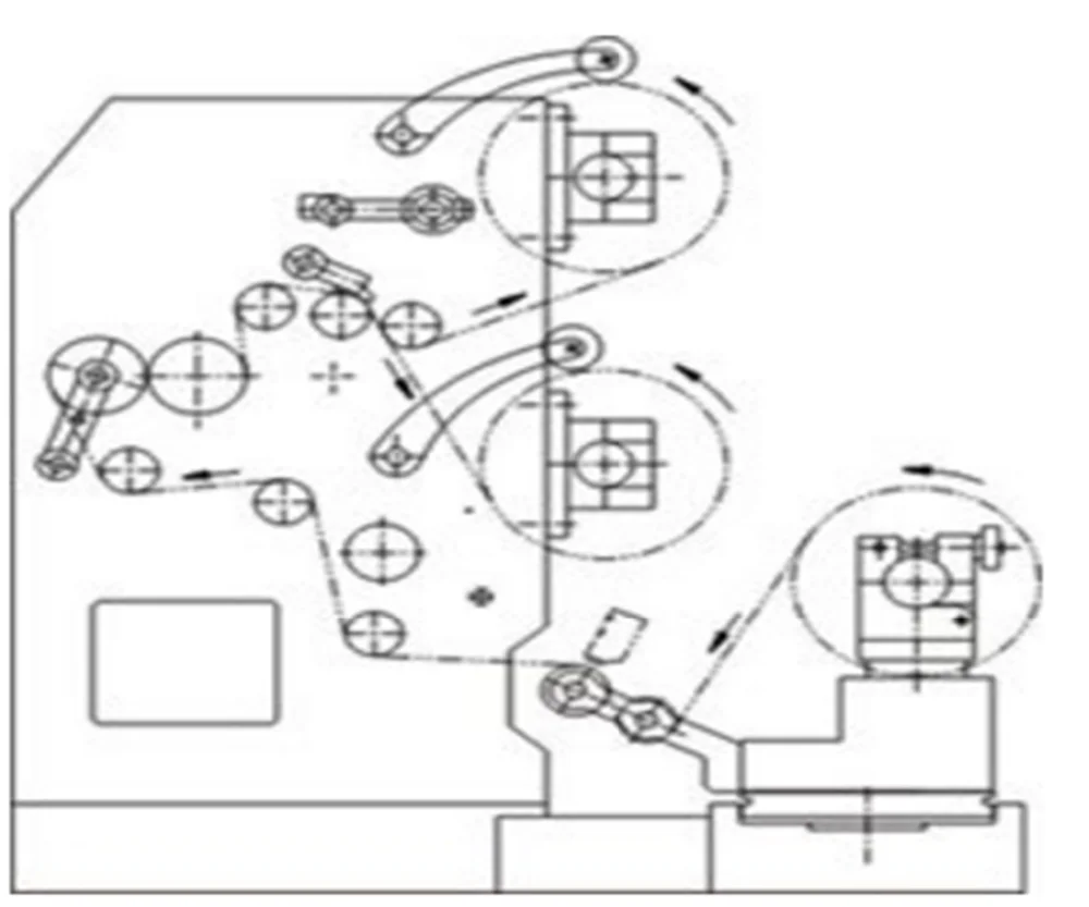
Diagrams
\t
Part 1
\t
Rewinding
\t
Part 2
\t
Unwinding
\t
Part 3
\t
Slitting
\t
\t
Schematic diagrams
\t
\t
\t
\t
Packing & Delivery
\t
Packaging for LFQ-A700
\t
Size
\t
2000*1110*1400mm
\t
Weight
\t
1200kg
\t



Packaging Details
\t
Normally we use stretch film to wrapp goods.
And fixed in the one 40 feet container with iron wire and nails.
\t
Packaging
\t
Size
\t
2000*1110*1400mm
\t
Weight
\t
1.2 T
\t



Packaging Details
\t
Other Packaging Wooden case is also avalibale for us if you need.(extra fee).
Related Products

Taiwan mini QS-MN 45


Garbage bag making machine price wenzhou


tri-side sealing stand bag making machine ziplock stand machine For stand-up bags



0.2214 s.