Share on (60631780447):
Specification
Item Types Of Motor Couplings
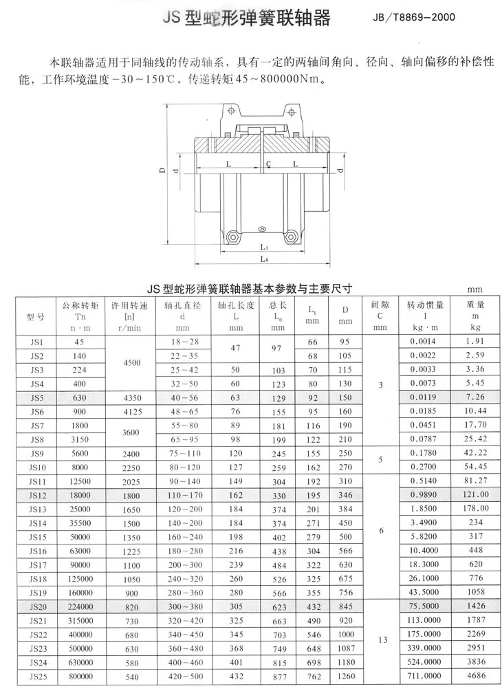
Model :JS
Material :Stainless Steel
Structure:Light Grid
Hole Length :Custom made
Flexible or Rigid:Flexible
Hole Dia :Custom made
Feature
Double rolling chains are GB standard chain.
The cover size is designed by your requirement .
High transfer efficiency and safety starting .transfer efficiency can attach to 99.5%
Transfer efficiency,starting safety
Simple structure, easy disassembly .

| Packaging Details: | standard export packing and wood pallets packing |
| Delivery Detail: | 7-10 working days |
1.E-catalogue avaliable
2.OEM & ODM accept
3.Shipping port TIANJIN Port
4.Production Time usually in 25-30 days
5.Sample available by freight collect
7.Payment Terms T/T or paypal
8.Small order accepted
9. After-sales service: Always ask the customer, tracking service
10.Sales Service: Profession ;Quality Control: Strict ;Logistics Service: Speed

1. Q: Manufacturer ?
A: Yes, professional factory in China
2. Q: Which area have you exported to ?
A: Europe, America, Africa, Asia, South America and Australia
3. Q: Any advantage ?
A: The Production area more than 4000 square meters, and 35 sets production equipments. We can supply the one-stop service from machining to welding
New products from manufacturers at wholesale prices