Share on (60646155058):

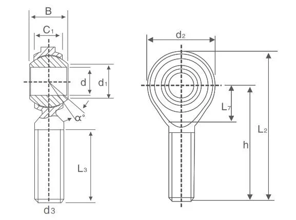
¶ Rod end bearing consist of an ball-shaped head with integral shank forming a housing and a standard spherical plain bearing, or a spherical plain bearing inner ring, or a spherical plain bearing inner ring and a sliding layer between the bore of the head and the inner ring.
¶ Normally, rod ends are available with left or right-hand female or male threads.
¶ Rod ends from WERB have the sliding contact surface combinations steel-on-steel, steel-on-bronze, steel-on-PTFE composite material, and steel-on-PTFE fabric.
¶ Some rod end types require lubrication, and other types are maintenance free.
¶ Besides, zinc/chrome/nickel/multicolour can be plated on its shell as customer's need.

* Rod body with left or right-hand male thread
* Rod body pressed around inner ring.
* Outer race lined with PTFE composite material.
* Surface of rod body zinc plated






Atten: ---For left-hand thread, please and surffix "L", e.g. NOS 18 L
---Metric and inches sizes avaliable.
Applicance:
Engineering hydraulic cylinders,Forging machines,Construction machinery, Auto shock absorber and so on.
When to use a rod end bearing?
¶ When you want to save weight.
¶ When rotating, oscillating and linear movements should be implemented.
¶ When high-frequency oscillations/vibrations predominate.
¶ When a low-noise operation is desired.
¶ When an electrically insulating part is required.
¶ When freedom from corrosion is desired.
¶ For combinations with pneumatic cylinders and gas struts.
¶ When chemical resistance is required.
¶ When high stiffening is required.

* If you have any other request about product package, please let us know, we also can pack them according to your request.
Lishui city well bearing co.,ltd, founded in 2003, is a collection research and development, manufacture and inport trade co.,ltd. Company main product for the Rod end joint bearing, to the heart joint bearings. Linear bearings, Linear slide units, Needle roller, Ball screw and Linear guid machinery spare parts, etc. We not only design and produce all kinds of standards bearing, but also can be customized according to customer needs all kinds of non-standard bearings.




1.Are you a manufacturer or trading company?
We are ISO/TS certified manufacturer since 2003.
2.What is the advantage of your company?
-ISO9001:2008 certified manufacturing and inspection facilities.
-Flexible manufacturing to allow for low to high volume production.
-Operational excellence through continuous improvements and investments.
-Excellent customer service.
-Professional line and team, many of experience experts engaged in this industry line for more than 10 years.
3.Highest quality and most competitive price
We are the only one manufacture who adopts import raw materials. All of our products are manufactured in conformance with ISO9001 standard. We have our own in-house lab to test the material and bearing. Low bad rates and cheap price as well as guaranteed quality.
4.How about product delivery?
We are a professional manufacturer in this aspect for more than 14 years. Products can be directly export to customers. We can dilivery customer's order just time in time for small quantity. 3-15days for big prder according to quantity.
5.Can you make sample and batch production according to customer’s drawing
and sample?
Yes. Our company provides valued bearing solutions per customer’s special requirement.
Generally MOQ will be required depend on each inquiry. More details please be free to contact.
6.Major market?
Our products are exporting worldwide, major market are Europe, America, Oceania
and Asia etc..
Once cooperated, friend forever!
Any question, plz be free to contact . it's our pleasure to be on service of you.
New products from manufacturers at wholesale prices