Best price flat cable EMI suppression nizn ferrite core flat

Share on (60679933900):


Price:

Quantity:


Product Overview

Description


Description
\t
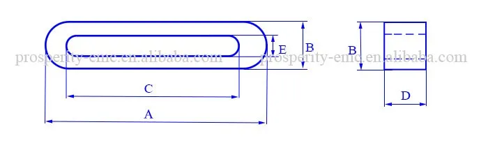
SIZE CODE (mm)
\t
A
\t
B
\t
C
\t
D
\t
E
\t
A2 FS 25*5*21*12-1.5
\t
25.0±0.7
\t
5.0±0.4
\t
21.0±0.5
\t
12.0±0.5
\t
1.5±0.5
Parameter
\t
Electrical Requirements
\t
SIZE CODE (mm)
\t
A2 FS 25*5*21*12-1.5
\t
at 25 MHz
\t
22 Ω MIN
\t
at 100 MHz
\t
78 Ω MIN
\t
TEST INSTRUMENTS
\t
HP 4191A
\t
LCR METER
\t
HP 4286
\t
WIRE
\t
0.65T.C.W*100m/m 1/2Ts
\t
TEMPERATURE
\t
15℃ to 35℃
\t
HUMIDITY
\t
25% to 85% RH
\t
Test Data For Pre Production Samples
\t
MEAS. Item
\t
Ω
 AT 25MHz
\t
Ω
AT 100MHz
\t
 m/m
\t
B
m/m
\t
C
m/m
\t
 m/m
\t
E
m/m
\t
Suggest
\t
22 Ω MIN
\t
78 Ω MIN
\t
25±0.7
\t
5.0±0.4
\t
21±0.5
\t
12±0.5
\t
1.5±0.5
\t
1
\t
32.3
\t
89.5
\t
24.9
\t
5.1
\t
20.6
\t
12.0
\t
1.5
\t
2
\t
32.7
\t
90.2
\t
24.9
\t
5.2
\t
20.6
\t
12.2
\t
1.5
\t
3
\t
32.5
\t
90.2
\t
24.9
\t
5.1
\t
20.6
\t
12.1
\t
1.4
\t
4
\t
32.5
\t
89.3
\t
25.1
\t
5.1
\t
20.6
\t
12.0
\t
1.5
\t
5
\t
31.5
\t
89.3
\t
25.1
\t
5.2
\t
20.6
\t
12.0
\t
1.5
\t
6
\t
31.4
\t
90.2
\t
25.0
\t
5.0
\t
20.6
\t
11.9
\t
1.5
\t
7
\t
31.5
\t
90.1
\t
24.9
\t
5.1
\t
20.6
\t
12.0
\t
1.5
\t
8
\t
32.3
\t
90.8
\t
25.0
\t
5.1
\t
20.7
\t
11.9
\t
1.5
\t
9
\t
32.3
\t
90.2
\t
24.9
\t
5.1
\t
20.7
\t
12.0
\t
1.5
\t
10
\t
31.8
\t
89.6
\t
25.0
\t
5.1
\t
20.6
\t
11.9
\t
1.5
\t

\t

\t

\t

\t

\t

\t

\t

\t
X-bar
\t
29.6
\t
89.9
\t
24.9
\t
5.1
\t
20.6
\t
12.0
\t
1.5
\t
R
\t
1.3
\t
1.5
\t
0.3
\t
0.2
\t
0.1
\t
0.3
\t
0.1
\t
The above test data for reference,Actual results may differ due to different production batches.
Related Product
Pkgs&App
Our Company
Logistics
Contact us

0.2085 s.