Share on (60688291776):
Our factory will attend PTC ASIA 2017 in shanghai , our booth No.E3, G3-2 ,welcome to our booth!
We also attend the Canton fair and Hannover messe ,pls feel free to contact us if you are interested in our products, we will bring to the booth ~
Bi-directional PM motor electric dc 12v 800w for manual electric stacker power unit
Features :
1.low noise,stable running
2.easy brush replacement
3.OEM service available Bi-directional PM motor electric dc 12v 800w for manual electric stacker power unit
4.efficient and long continuous running time
5. Customization available
6.robust construction for long and reliable service life
7.100% copper wire Bi-directional PM motor electric dc 12v 800w for manual electric stacker power unit
8.12V, 24V, 36V, 48V,60V,72V as per customers' option
9.Factory established in 1996 with nearly 20 years' manufacturing experience
1.Specification of Bi-directional PM motor electric dc 12v 800w for manual electric stacker power unit :
| type | voltage | power | Speed | Rotation | O.D |
| MA08XXN | 12V | 0.8KW | 3200rpm | BI-DIRECTIONAL | 80MM |
Work duty : S3
Insulation class: H
Protection class: Ip54
Price:We have our own factory so that we can offer the more competitive price
Quality:Topest materials,skilled workers and strict test system to provide good quality products
Usage:The products are widely used in electric folk-lift truck, electric rail car, electric sightseeing car and so on
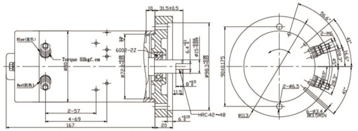
2.Drawings of Bi-directional PM motor electric dc 12v 800w for manual electric stacker power unit


3.Parameters:
| Unload | Speed(n) | 5299(rpm) |
| Current(l) | 26.970(A) | |
| Max_Torque | Torque(M) | 3.350(N.m) |
| Current(I) | 162.280(A) | |
| Speed(n) | 3460(RPM) | |
| Eff | 62.85% | |
| Output Power(P2) | 1215.10(W) | |
| Max_Efficiency: | Eff | 71.11% |
| Speed(n) | 4278(RPM) | |
| Torque(M) | 1.320(N.m) | |
| Current(I) | 68.990(A) | |
| Output Power(P2) | 592.20(W) | |
| Max_Pout: | Eff | 62.85% |
| Speed(n) | 3460(RPM) | |
| Torque(M) | 3.350(N.m) | |
| Current(I) | 162.280(A) | |
| Output Power(P2) | 1215.10(W) |
Packing Details : We pay high attention to the Bi-directional PM motor electric dc 12v 800w for manual electric stacker power unit packaging, adopt poly foam packing and then pack them to plywood case to protect dc motor, this series of complete packing enable you receive good products.
Delivery Details : depends on quantity

All of our motor and power units use 100% copper coil , which you can rest assured ,if you want more details of Bi-directional PM motor electric dc 12v 800w for manual electric stacker power unit , pls feel free to contact me :



Application:
We are a manufacturer of dc motor and power units more than 21 years,coorporated with Hidros in turkey and KOPACK , Hydro-tek , all of our products have passed CE and ISO9001:2000 certificates.
Our products can mainly for fixed boarding bridge, dump truck, electric stacker, van wing door, lift platform, vehicle tailboard, car lift, forklift etc.

Our philosophy is to provide our clients with a wide chioce of quality products and unprecedented services. We assure our clients of a mutually beneficial relationship as we look forward to developing a long term strategic partnership with your esteemed organization.
2. FAST DELIVERY SERVICE,
3. SAFETY PACKAGE SERVICE,
4, FAST SAMPLE VALVES PREPARING SERVICE.
5. GOOD AFTER SALE SERVICE.
6. 24 HOURS ON LINE SERVICE.
Our factory was established in 1996, professional in hydraulic dc motors, hydraulic power pack units, hydraulic cylinders, solenoid valves etc. They are widely used for forklift, vehicle tailboard, lift table, electric stacker, wing plate and other hydraulic equipment etc.
We have nearly 20 years' manufacturing experience with a strong team of 30 engineers for research and development. The motors' annual output has been more than 200,000 sets.
Bi-directional PM motor electric dc 12v 800w for manual electric stacker power unit
So far, we are the only designated OEM hydraulic power unit motor supplier in China for US WAI Company, OEM forklift motor supplier for Korea SOOSUNG. Also, we cooperated Korea KOPACK, Turkey Hidros and HELI in China.24v 500w hydraulic manget motor with carbon brush
Bi-directional PM motor electric dc 12v 800w for manual electric stacker power unit
We have been attentively persisting in manufacturing hydraulic dc motors for 20 years.

Below is the information about Jinle Factory transactions conducted via Alibaba.com. If you require further details regarding the transaction data, please click on the below picture.
We have passed Certificate of Compliance(CE) and Quality Management System(ISO9001:2000). Click on the below picture for certification details.Bi-directional PM motor electric dc 12v 800w for manual electric stacker power unit
The Jinle staff are always take the company development as self task. With years of effort, Jinle hydraulic dc motors have acheived "private techinology enterprises in Jiangsu province","Jiangsu Province integrity rights shuangyou demonstration unit" awards. Now we are Chinease quality service honor AAA demonstration unit.

Our factory will attend PTC ASIA 2017 in shanghai , our booth No.E3, G3-2 ,welcome to our booth!
We also attend the Canton fair and Hannover messe ,pls feel free to contact us if you are interested in our products, we will bring to the booth ~Bi-directional PM motor electric dc 12v 800w for manual electric stacker power unit
For more information about our company,pls click following :
Transaction history
Trade shows
Trade capacity
Company information
Home
Know more about our company by watch a small redio: 
Q: Do you accept OEM manufacturing?
A: Yes! We do accept OEM manufacturing. You could give us your samples or drawings.
Bi-directional PM motor electric dc 12v 800w for manual electric stacker power unit
Q: Can we design our own package or print our own logo?
A: Yes! You could! Package will be acording to your requirements?
Bi-directional PM motor electric dc 12v 800w for manual electric stacker power unit
Q: Could we get the samples?
A: Yes! Definitly! The samples will be sent to you.
For more choices and informations of Bi-directional PM motor electric dc 12v 800w for manual electric stacker power unit motor , please see our website:
https://hydraulicmotor.en.alibaba.com/
Customized production and OEM are all available.
Send me the parameters or samples of hydraulic dc motor, we will be pleasure to customize for you.
MB08XXN 24V 0.8KW 3200RPM DC MOTOR M108XXN 12V 0.8KW 3200RPM DC MOTOR
M208XXN 24V 0.8KW 3200RPM DC MOTOR ZDY118 12V 1.2KW 3200RPM DC MOTOR
If you have any problems about power units and hydraulic dc motor ,welcome to contact us, we will try our best to solve your problems!
WINNIE : WHATSAPP/WECHAT/SKYPE : +86 150 6185 0912
New products from manufacturers at wholesale prices