Share on (60688532849):

Application: Suitable for the seals of antibiotics and other powder crude drugs.
* Improve the shelf life of your packaged drug
* Reduce visible and subvisible particulatesPacking: Inner double sterile plastic bag, outer corrugated carton
Executive Standard: Q/HXY01-2013
| PRODUCT NAME | SPECIFICATION | DIA OF TOP | TOP THICKNESS | DIA OF PLUG | HEIGHT |
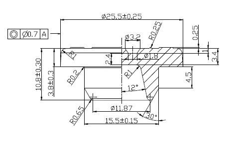
| Butyl Rubber Stopper for infusion | 26-A | 25.5±0.25 | 3.8±0.30 | 15.5±0.15 | 10.8±0.3 |
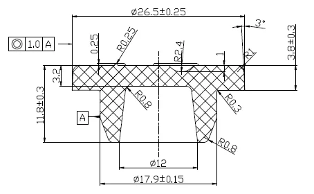
| 28-A | 26.5±0.25 | 3.8±0.30 | 17.9±0.15 | 11.8±0.3 | |
| 32-A | 31.0±0.3 | 4.1±0.30 | 23.5±0.20 | 12.6±0.4 |




DRAWING OF RUBBER STOPPER


Drawing of stopper size 26-A

Established in 1975, has 40 years manufacturing history. Our annual capacity is 2.5 billion medical grade rubber stoppers. We meets GMP standards and get FDA, ISO 9001/2, ISO 14001, TS16949.
We share 40% Market in China and export to all over the world. We are the best partner of Chinese largest pharmaceutical manufactures.
We have a fully equipped laboratory center with highly educated engineers. And have developed 30 customized formulas for antibiotics



Our workshop for storage


Our workshop for weigh the stopper
Our Work for package
TWO PACKAGES: Ready to sterilize and ready to use
PACKING DETAILS: Inner double sterile plastic bag/RFS bag, outer corrugated carton
DELIVERY DETAILS: 10-15 days after we got the order





A strong factor contributing to our long and consistent growth stems from our strongly focus on quality management and developing customized formula for different antibiotics. We have obtained the following certifications: FDA, ISO9001/2, TS16949, ISO14001.
These certifications, along with the acclaim we have received from our users and distributors, attest to our higher than average standard of quality. It is our promise that we shall never neglect even the smallest detail when it comes to our quality chain. The quality management approach we have implemented stresses quality not only in our products but in our relationship to our customers as well.



FDA CERTIFICATE
ISO 140001:2004
ISO/TS 16949:2009
We are professional in pharmaceutical area for more than 40 years. Market investigation is also our goal. It's vital to achieve the first and important data from the customer face to face.
We are active at different exhibitions like CPHI Shanghai, Indonesia, India and so on...Our products have won vast acclaim among our customers and end users.









A: We are factory.
A: Generally it is 10-15 days after we got the order.
A: Yes, we would love to offer free sample for checking, but you might need to pay the freight cost.
A: For large orders, T/T, L/C, and E-credit lines are all offered. For small orders, credit cards are accepted.
New products from manufacturers at wholesale prices