Share on (60712405318):
P model - Aluminium Profile
P model is designed for machine equipment. The high versatile IP67 profile housing offers full protection against outside agents for use in harsh environments with high contamination and presence of dust. Mounting is accomplished using clamps that allow precise mechanical adjustment.
| Order Code | 192 |
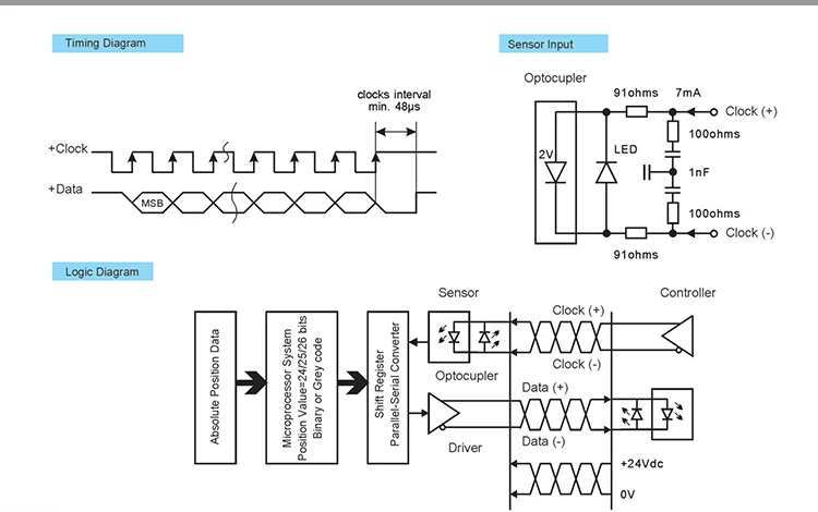
| Output | SSI |
| Measurement Type | Linear displacement |
| Data Format | Binary or Grey |
| Data Length | 8 - 32 bits |
Data Speed | Cable Length : <3 <50 <100 <200 <400 m |
Baud rate : 1000 <400 <300 <200 <100 kBd | |
| Update Time | Measuring Length : 300 750 1000 2000 5000 mm |
| Measurement/sec : 3.7 3.0 2.3 1.2 0.5 kHz | |
| Resolution | Displacement : 1 / 2 / 5 / 10 / 20 / 50 / 100 μm |
| Repeatability | < +/-0.001% of full scale (minimum +/-2.5μm) |
| Non-Linearity | < +/-0.01% of full scale (minimum +/-40μm) |
| Update Time | 0.5 ms up to 1200 mm / 1.0 ms up to 2400 mm |
| 2.0 ms up to 4800 mm / 5.0 ms up to 7600 mm | |
| Input Voltage | +24Vdc (20.4 - 28.8Vdc) |
| Input Protection | Polarity protection up to -30Vdc, Over voltage protection up to 36Vdc |
| Power Consumption | 100mA (stroke range dependent) |
| Dielectric Strength | 500Vdc (DC ground to machine ground) |
| Connector Type | D60 Male |
| Operation Temp. | -40 to 75 °C, Humility 90% non-condensing |
| Sealing | IP67 (with connector) |
| Shock Rating | 100g single hit per IEC standard 68-2-27 |
| EMC | Emission EN 68000-6-3, Immunity EN 61000-6-2, EN 61000-4-2/3/4/6 |











New products from manufacturers at wholesale prices