Share on (60714037889):
Iron KST Thermostat
Using Scope:
electric iron,electronic oven,fryer, baby bottlewarmer,heater wave oven,light wave oven,electric warmer,electric pressure pan, electric cooker and similar electric equipment as temperature control and constant .
Main Technical Parameter:
Rated Action Temperature: 0-250℃ (optional)
open temp precision: ±(4-5%)℃
Tolerence:10K-30K
Contact resistance:≤50mΩ
puncture strength:Hi-pot test with 2000VAC/0.5mA/1 min,no disruption or flashover
Adjustable axis angle:120°,150°,180°,210°,250°,270°,300°,310°.
endurance:15A/125V~UL 100000 times 10A/250V/16A/250V~ TUV ROHS 100000 times


Notes:
1:Temperature may be adjustable and non -adjustable are optional .
2:Tripping -off temperature and property curve depend on the matching test of the thermostat and clients' appliances.
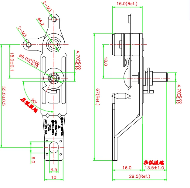
3:Install manner ,dimension and angle and project direction of therminal may be designed according to clients's requirements.
4:Dimension of shaft,turn angle, switch on angle may be desinged according to cliens' requirement.
5:to facility to install it by clients, a fixing piece may be riveted on it, this piece also has the function of conducting heating.
Company Profile:



We are professional, we are honest! We are sure our price, quality and delivery time will satisfy you very much!
New products from manufacturers at wholesale prices