Share on (60721209422):

Chinese suppliers hydraulic foot pedal valve control valve PDF01 for tractor
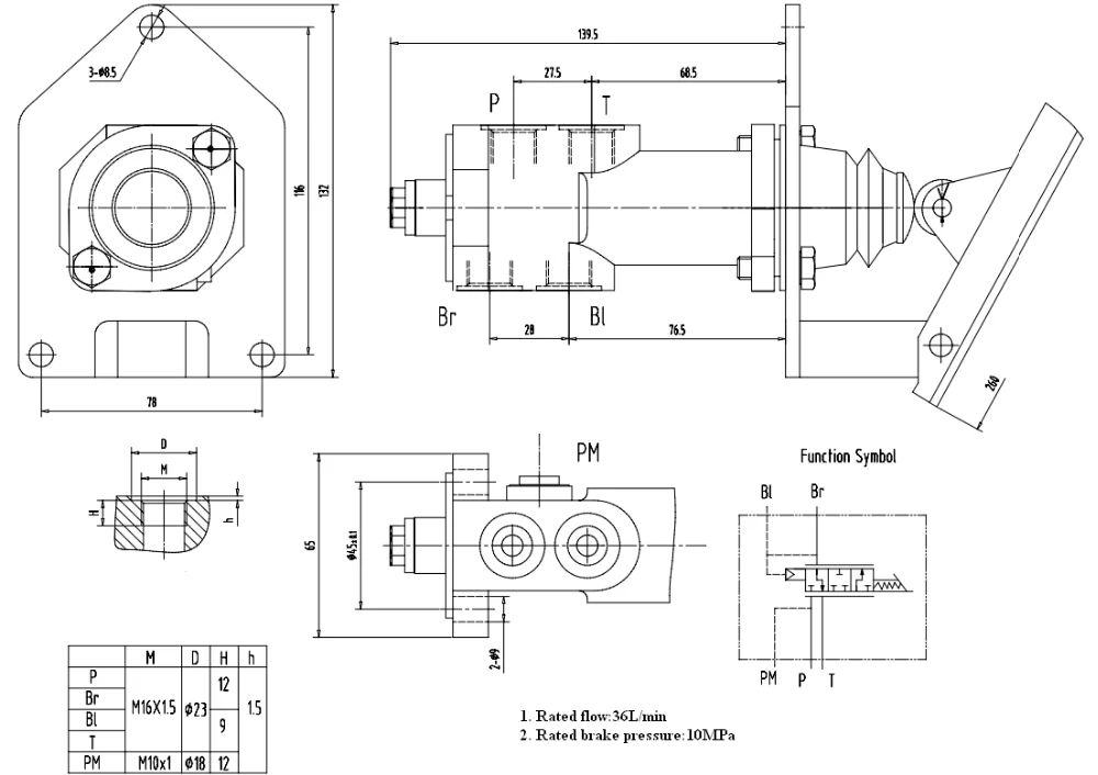
PDF01 brake valve is mainly used in brake system.
Product Characteristics:
★ Simple structure
★ Easy installation
★ Great braking effect

Model Code:
PDF 01
① ②
① Product code
② Design code
Nominal pressure (bar) | 200 | ||||
Nominal flow (L/min) | 36 | ||||
Brake pressure (bar) | 100 | ||||







New products from manufacturers at wholesale prices