China Manufacturer Hot Sale filter ferrite core

Share on (60743346822):


Price:

Quantity:


Product Overview

Description


Description
\t
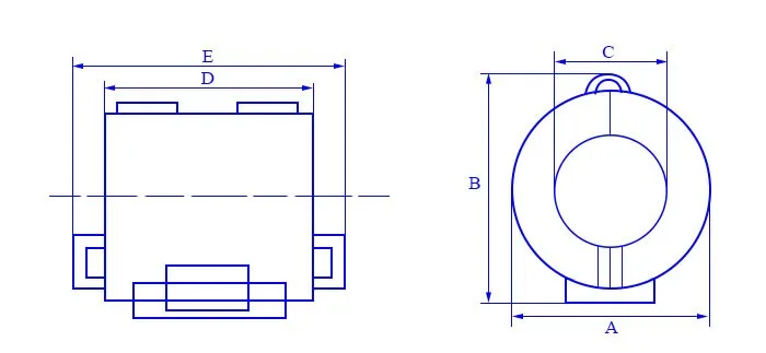
SIZE CODE (mm)
\t
A
\t
B
\t
C
\t
D
\t
E
\t
A2 RC 16*13*8-MB
\t
19.0±1.20
\t
23.0±1.20
\t
8.0±1.00
\t
17.0±1.20
\t
23.0±1.20
Parameter
\t
Electrical Requirements
\t
SIZE CODE (mm)
\t
A2 RC 16*13*8-MB
\t
25 MHz
\t
39Ω MIN
\t
100 MHz
\t
105Ω MIN
\t
TEST INSTRUMENTS
\t
HP 4191A
\t
LCR METER
\t
HP 4286
\t
WIRE
\t
0.65T.C.W*100m/m 1/2Ts
\t
TEMPERATURE
\t
15℃ to 35℃
\t
HUMIDITY
\t
25% to 85% RH
\t
Test Data For Pre Production Samples
\t
MEAS.
 Item
\t
Ω AT 25MHz
\t
Ω AT 100MHz
\t
 m/m
\t
B
 m/m
\t
 m/m
\t
 m/m
\t
 m/m
\t
Suggest
\t
39 MIN
\t
105 MIN
\t
19.0±1.2
\t
23.0±1.2
\t
8.0±1.0
\t
17.0±1.2
\t
23.0±1.2
\t
1
\t
47.02
\t
128.12
\t
19.21
\t
23.06
\t
8.08
\t
17.14
\t
22.96
\t
2
\t
45.23
\t
125.02
\t
19.22
\t
23.03
\t
8.07
\t
17.1
\t
22.98
\t
3
\t
46.57
\t
126.45
\t
19.18
\t
23.06
\t
8.1
\t
17.08
\t
22.96
\t
4
\t
48.01
\t
129.15
\t
19.19
\t
23.02
\t
8.12
\t
17.15
\t
22.96
\t
5
\t
48.12
\t
128.01
\t
19.2
\t
23.05
\t
8.11
\t
17.14
\t
22.95
\t
6
\t
47.21
\t
129.45
\t
19.21
\t
23.05
\t
8.1
\t
17.16
\t
22.95
\t
7
\t
45.58
\t
130.01
\t
19.21
\t
23.06
\t
8.06
\t
17.15
\t
22.96
\t
8
\t
47.23
\t
129.45
\t
19.2
\t
23.04
\t
8.05
\t
17.14
\t
22.98
\t
9
\t
47.28
\t
129.98
\t
19.21
\t
23.06
\t
8.06
\t
17.11
\t
22.95
\t
10
\t
48.29
\t
130.05
\t
19.22
\t
23.06
\t
8.05
\t
17.1
\t
22.96
\t

\t

\t

\t

\t

\t

\t

\t

\t
X-bar
\t
47.05
\t
128.57
\t
19.21
\t
23.05
\t
8.08
\t
17.13
\t
22.96
\t
R
\t
3.06
\t
5.03
\t
0.04
\t
0.04
\t
0.07
\t
0.08
\t
0.03
\t
The above test data for reference,Actual results may differ due to different production batches
Related Products
Pkgs&App
Our Company
Logistics
Contact us

0.192 s.