Share on (60747109178):

Description:
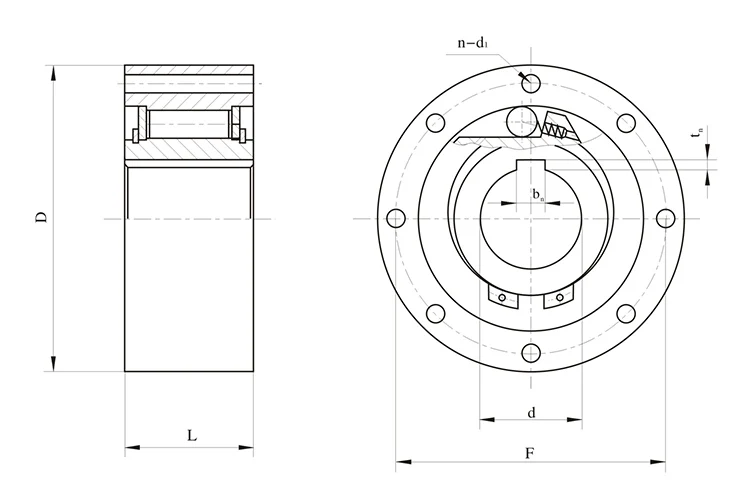
Type GC-D is a roller type freewheel non-bearing supported. Earrings are required to support axial and radial loads. Lubrication and sealing must also be provided by the installation. Standard lubrication is oil.
Standard install is the outer race fitting in the rabbet and screwed to the bond. The inner race is keyed to the shaft. The rabbet for install the outer race must be H7 tolerance, ensure a high axiality.
This series extensive used in machinery system of packing, printing, paper making, weaving,chemical, medical, food and so on.


Parameter of GC-D AS Roller Type One freewheel for packaging machine
| TYPE | RATED TORQUE [N·m] | OVERRUNNING SPEEDS [r/min] | DIMENSION | WEIGHT [kg] | ||||||
INNER RACE | OUTER RACE | d [H7] | D [h7] | F | L | n-d1 | bn×tn | |||
| GC-D1247 | 12 | 1550 | 3000 | 12 | 47 | 38 | 20 | 3-5.5 | 4×1.8 | 0.21 |
| GC-D1555 | 42 | 1150 | 2700 | 15 | 55 | 45 | 30 | 3-5.5 | 5×2.3 | 0.44 |
| GC-D2068 | 111 | 1000 | 1800 | 20 | 68 | 58 | 34 | 4-5.5 | 6×2.8 | 0.70 |
| GC-D2590 | 215 | 850 | 1300 | 25 | 90 | 78 | 37 | 6-5.5 | 8×3.3 | 1.30 |
| GC-D30100 | 380 | 750 | 1050 | 30 | 100 | 87 | 44 | 6-6.6 | 8×3.3 | 2.00 |
| GC-D35110 | 547 | 650 | 975 | 35 | 110 | 96 | 48 | 6-6.6 | 10×3.3 | 2.60 |
| GC-D40125 | 760 | 600 | 850 | 40 | 125 | 108 | 56 | 6-9.0 | 12×3.3 | 3.90 |
| GC-D45130 | 855 | 525 | 750 | 45 | 130 | 112 | 56 | 8-9.0 | 14×3.8 | 4.00 |
| GC-D50150 | 1634 | 475 | 650 | 50 | 150 | 132 | 63 | 8-9.0 | 14×3.8 | 6.00 |
| GC-D55160 | 1995 | 425 | 600 | 55 | 160 | 138 | 67 | 8-11 | 16×4.3 | 7.20 |
| GC-D60170 | 2660 | 400 | 550 | 60 | 170 | 150 | 78 | 10-11 | 18×4.4 | 9.20 |
| GC-D70190 | 4370 | 325 | 450 | 70 | 190 | 165 | 95 | 10-11 | 20×4.9 | 11.8 |




New products from manufacturers at wholesale prices