Share on (60756455747):

Feature:
1. low-speed plugging;
2. a bearing support;
3.match filter interface;
4.oil marking and labyrinth oil lubrication channels;
5.compact structure;
6.light weight;
7.Sprag reliable and convenient installation;
8.installation accuracy is not high
It can be directly installed on the host drum shaft, also can be directly installed on the reducer, is a kind of safety device of transportation equipment. Compared with the NJ type , it has higher overrunning speed, higher torque, higher precision, longer life, safer and more reliable.


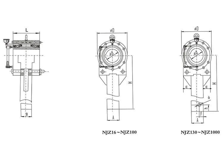
Parameter of NDZ heavy load backstop bearing clutch
| TYPE | Load Capacity N·m | Inner Race Max Speed r/min | Drag Torque N·m | Bore Size (mm) | DIMENSION | WEIGHT [kg] | ||||||||
A | B | D | H | h | ∅ | L | E | F | ||||||
| NDZ160(NJZ16) | 16000 | 150 | 20 | 100~130 | 120 | 320 | 506 | 150 | 98 | |||||
| NDZ250(NJZ25) | 25000 | 150 | 35 | 120~160 | 140 | 80 | 360 | 800 | 150 | 112 | ||||
| NDZ400(NJZ40) | 40000 | 150 | 45 | 160~200 | 160 | 88 | 430 | 850 | 160 | 182 | ||||
| NDZ500(NJZ50) | 50000 | 100 | 75 | 160~220 | 220 | 110 | 500 | 1000 | 100 | 100 | 240 | 354 | ||
| NDZ1000(NJZ100) | 100000 | 100 | 95 | 180~250 | 250 | 120 | 600 | 1200 | 100 | 100 | 290 | 644 | ||
| NDZ1300(NJZ130) | 130000 | 90 | 100 | 200~270 | 280 | 120 | 650 | 1300 | 80 | 40 | 290 | 120 | 60 | 755 |
| NDZ2000(NJZ200) | 200000 | 90 | 110 | 230~300 | 320 | 130 | 780 | 1300 | 80 | 45 | 294 | 135 | 60 | 1088 |
| NDZ2800(NJZ280) | 280000 | 90 | 140 | 250~320 | 360 | 140 | 850 | 1500 | 100 | 50 | 320 | 150 | 70 | 1426 |
| NDZ3300(NJZ330) | 330000 | 80 | 160 | 260~350 | 400 | 140 | 930 | 1600 | 100 | 55 | 360 | 160 | 70 | 1921 |
| NDZ5300(NJZ530) | 530000 | 80 | 220 | 320~420 | 450 | 150 | 1030 | 1800 | 120 | 60 | 440 | 180 | 80 | 2945 |
| NDZ7100(NJZ710) | 710000 | 80 | 250 | 350~450 | 500 | 160 | 1090 | 2000 | 120 | 70 | 480 | 210 | 100 | 3518 |
| NDZ10000(NJZ1000) | 1000000 | 70 | 280 | 380~480 | 560 | 170 | 1200 | 2200 | 150 | 80 | 500 | 230 | 110 | 4442 |



Q: Are you factory or trading company ?
A : Xianyang CHAOYUE Clutch Co., Ltd was founded in 1999. We are a professional locking assembly & clutch manufacture with 20 years' experance of R&D.
Q: How to get price ?
A: Kindly info us with the product type and we will quote you ASAP.
If you are not sure about these details , pls just tell us :
Inner diameter is mm, outer diameter is mm, width is mm, torque range is kN·m,
Q: What's the MOQ ?
A: The minimum order quantity for most of our product is 1 pcs.
New products from manufacturers at wholesale prices