Share on (60764881722):
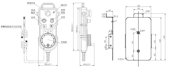
XPG series high quality incremental manual pulse generator handwheel rotary encoder

Supply Voltage | DC5V±0.25V | 5~15V | 8~30V | DC5V±0.25V | |
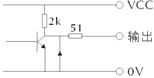
Output Form | E/C | E/C | E/C | L | |
Output Voltage | VH:≥Vcc*85% VL:≤0.5V | VH:≥2.5V VL:≤0.5V | |||
Current Consumption | ≤30mA | ≤60mA | ≤100mA | ≤100mA | |
Frequency Response | 0~5kHz | ||||
Rise / Fall Time | ≤1μs | ≤0.1μs | |||
Operating Speed | ≤200r/min | ||||
Max Rotating Speed | ≤600r/min | ||||
Operating Temperature | -10~+70℃ | -0~+70℃ | |||
Storage Temperature | -20~+80℃ | -10~+80℃ | |||
Working Life | MTBF≥10000h(25℃ 200rpm) | ||||
Weight(no cable) | 0.3Kg(without cable) | ||||
Accessories | Magnetic Sticker or peg board | ||||




Output Form | Voltage(E) | Open Collector(C) | Line Driver(L) |
Circuit |
|
|
|
If you have any question,feel free to contact me.

Are you a trading company or a manufacturer? |
We are a manufacturer of 20 years experience. |
Do you accept OEM brand? |
Accept large OEM brand customers, or a large number of customers. |
Does your product have a factory inspection? |
Every product we send is strictly factory inspection. |
How long will you ship the goods? |
Our delivery time ranges from 3 days to 3 weeks. |
Can you provide free samples? |
Regular products provide samples according to the original price. Customized products are provided at cost price. |
What kind of packing do you send? |
We use high-quality corrugated paper packing box, internal environmental protection buffer material. |
What is our loading port? |
Dalian port, or apply for other ports. |
How long is your quality guarantee period? |
The guarantee period for our products is one year. |
New products from manufacturers at wholesale prices