Cordierite ceramic ferrule /ceramic welding ring

Share on (60774021475):


Price:RUB 0.7686 - RUB 38.43

Quantity:


Product Overview

Description

Product Description


Product Description:

Ceramic Ferrules are the essential part of the standard shear connectors (shear studs) drawn arc stud welding process. In the process, the shear connector will insert into the center hole of the ceramic ferrule, the ceramic ferrule will be pressed on the welding surface by ceramic ferrule holder by the force of spring device inside the welding gun. The ceramic ferrule is used for one weld only and is removed once the molten metal has solidified. It has following functions:

1,Protection of the weld pool by the creation of metal vapor in the burning chamber at sufficient current intensity
2,Concentration and stabilization of the arc, thus reducing arc blow
3,Moulding of the displaced weld pool to a welded collar and supporting of the weld pool
4,It shields the operator from both arc and spatters.

STANDARD FERRULES

These standard ceramic ferrules are according to ISO 13918: 2008 Type UF, for shear connector welded to steel member in PA position

It has following Benefits

1. Good concentricity and consistency.
2. Excellent wear and heat resistance.
3. High strength, endurability, and anti-aging performance.
4. Extremely precise design as well as customized products.

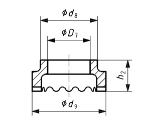
Specification
Dimension
Pieces/Carton
D7+0.5
D8±1
D9±1
h2≈
UF10
10.2
15
17.8
10
1,000
UF13
13.1
20
22.2
11
900
UF16
16.3
26
30
13
500
UF19
19.4
26
30.8
16.7
400
UF22
22.8
30.7
38.5
18.5
200
UF25
26
35.5
41
21
200

HIGH SINTERING

Strictly control temperature, over 10 hours high sintering. Ceramic ferrule high strength, consistency shape, clean surface.

MOISTURE PROOF

Combine all the features in one, high density, smooth surface, no deed to drying the ceramic ferrules before welding in the normal storage and construction environment.

HIGH PRECISION

Adopt spray granulating dry powder moulding technology, ensure high precision and high consistency of finished product.

Detailed Images
Workshop

There're 5 production lines for shear connector studs in our workshop.

Cold Forging Machines

Packing & Delivery
1, the ceramic ferrules are packaged in carton layer by layer.
2, the cartons are loaded in pallet binding with plastic sheeting for repelling moisture.
3, the pallets are put in the container.
Customer Service

Customer service


1. 7*24 Hours service for overseas clients.

2. A rapid reaction for inquiry within 3 hours.

3. Fast delivery within 7 days after order confirmation.

4. Strict quality control to all the orders.

5.With a large number of product inventory, conventional pieces in stock.

6. OEM service is available for our VIP clients.

7. All standards can be satisfied based on specific request.

FAQ

Q1. What is your terms of packing?
A: Generally, we pack our goods in neutral white boxes and brown cartons. If you have legally registered patent,
we can pack the goods in your branded boxes after getting your authorization letters.

Q2. What is your terms of payment?
A: T/T 30% as deposit, and 70% before delivery. We'll show you the photos of the products and packages
before you pay the balance.

Q3. What is your terms of delivery?
A: EXW, FOB, CFR, CIF,

Q4. How about your delivery time?
A: Generally, it will take 5days after receiving your advance payment. The specific delivery time depends
on the items and the quantity of your order.

Q5. Can you produce according to the samples?
A: Yes, we can produce by your samples or technical drawings. We can build the molds and fixtures.

Q6. What is your sample policy?
A: We can supply the sample if we have ready parts in stock, but the customers have to pay the sample cost and
the courier cost.

Q7. Do you test all your goods before delivery?
A: Yes, we have 100% test before delivery

0.176 s.