Share on (60780255457):
Ⅰ:Foreword:
MS9980 PH Value Regulator(Hereinafter referred to as regulator)It is a product independently developed and produced by our company.The regulator is mainly used to adjust the pH value of source water to meet the industrial, health and other needs.The operating principle :Source water by the solenoid valve / Globe Valve / pressure limiting valve into the electrolyzer.Under the effect of the DC electric field making following reaction between the cathode electrode and anode electrode in the electrolyzer.
Cathode chamber reaction
2H2O+2e-→H2↑+2OH-
Ca2++2OH-→Ca(OH)2
the anode reaction chamber near
2H2O→O2↑+4H++4e-
Water which is flowing through the cathode chamber under the effect of the membrane, the OH density will be increased , pH value will be increased . And the one in the anodechamber , H + increased, the water pH value decrease;
Ⅱ: Technical instructions:
1.Conditions of Use
1.1 Environmental Temperature : 5℃~40℃
1.2 Atmospheric pressure : 86kPa~106kPa
1.3 Water Pressure Range : 0.1MPa~0.30Mpa
1.4 Power supply : 110V±10%;50Hz±2% , outlet need to have a good grounding power .
1.5 Conductivity: 150μs/cm~600μs/cm
1.6 PH requirements of water source : 6.5-8.5;
1.7 Electrolysis current can not exceed 30A; (Normal running is about 15A-30A )
2.specifications :
Items NO. | MS9980 |
capability of Water treatment | 8000L/H |
PH value | Total capability of water treatment 8000L/H (hour ):over 9.1 |
Rated Power | 6.0kW |
Size(L×H×W) | 1580mm X 1440mm X 1000mm |
3.Function :
3.1 With a regular automatic reversing device, can continuously work 24 hours ;
3.2 With the settings of electrolyte strength adjustment , alkaline, acidic electrolyzed water flow rate display; low pressure, and overheat, over-current protection devices, etc.;
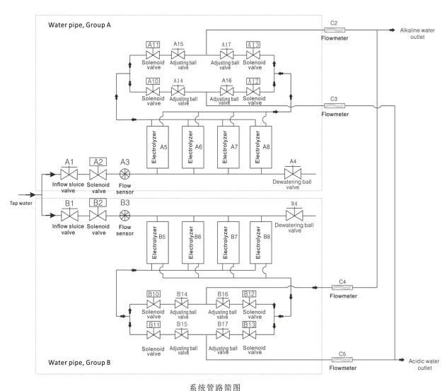
Ⅲ:Schematic diagram of electronic control work

System Pipeline (waterways) diagram:

Full water automatic stop function :
When the tank water is in high water level of (float I) the regulator will automatically suspend the work. All the lights is off and no display ,only the full water light is on . When the water level drop to the low water level , the floater will be vertical hanging down (in low water level) and then the machine will automatically work .
5.1 Carefully read the instruction manual, familiar front panel of the instrument, operating knobs and pipe interfaces and composition;
In the source water outlet to install a cut-off valve (owned), adjust the outlet water pressure of the source water. To ensure that the largest water pressure does not exceed 0.30Mpa;(0.15-0.2Mpa is more better)
Water pump connection method,See below:(Pump power is not more than 2KW)
5.3 Place regulator flat and adjust the stander of the regulator to be stable. Connect the power cord to the power distribution boxes well and check carefully so that to ensure that the appropriate capacity distribution boxes;
5.4 Connected and the inlet and outlet pipe (acidic, alkaline), ensure a solid connection;
5.5 Close the power distribution box,Open air leakage switch(C16)and(C6)Main switch,at this point the regulator is put into operation .
On the machine panel,Press the(C14)switch A or(C7)switch B,it can open the water piping system,At this time, the water production capacity of the two systems can also be adjusted separately,and atio of acid and alkali water output;
5.6 Adjust the inlet valve(A1/B1) to adjust the total inflow to regulate the acidic water flow control valve (C2/C3;C4/C5)to adjust the proportion of alkali-acidic water flow. In the same electrolytic current circumstances, the higher alkaline water flow the lower PH level . Under the same alkaline water flow, the greater the alkaline water electrolysis current, the higher PH level. By adjusting the acid-base percentage, the total flow rate and electrolysis current to create a suitable water. When you adjust water flow alkaline and acidic water flow, they will affect each other, need to make adjusting repeatedly in order to achieve the desired value; two states (state Ⅰ, Ⅱ) required adjustment;
And to observe is there any percolating water issue in all parts of the piping system, if yes , pls solve it.
5.7 Use PH meter to test the PH level of the outlet water( pls use standard liquid to modify the pH meter frequently),adjust the knob of the the electrolytic current (C12) or (C8), in order to make the PH level to reach the desired value. Pls pay attention to mark the data on the electrolytic current meter, until the installation and debugging is finished.







Miracle is mainly developing, manufacturing a variety of Health Patches, and different function beauty equipment, medical equipment and electronicmassage etc. Our products have exported to so many coutries already. Our products have passed TUV,CE,SGS,ROHS certified and meet ISO: 9001-2000 international quality standards. Also accept OEM, ODM. We will show you our wonderful products and advanced technology with China, more details about us, please welcome to visit our website at www.miracle-china.com / www.miracle-china.cn.

Advantage
1.Professional manufacturer with advanced facility.
2.Factory price with best quality.
3.Offer OEM service.
4.Fast service and on-time delivery.
welcome to contact us!
New products from manufacturers at wholesale prices