Share on (60788688131):
Specifications:
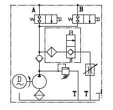
1. Hydraulic system pressure: 130-180bar
2. Hydraulic oil tank volume: 20L
3. Displacement of Hydraulic pump: 2.1cc/r
4. motor power: 2.2KW, AC220V
5. motor rotary speed: 2850r/min
6. Function: Single acting way
7. Color: default red/ white plastic
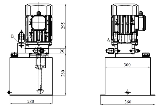
8. mounting: Vertical
9. Material of tank: iron sheet(1-1.5mm), Engineering Plastic
10. Application: repairing large and stardand size vehicle







New products from manufacturers at wholesale prices