Share on (60809109052):
Harmonics The principle of gear transmission The harmonic gear transmission is invented by the American inventor C.W.Musser in 1955. It is a new type of transmission mode which uses flexible working components to move into motion or power by elastic deformation. It breaks through the mode of mechanical transmission with rigid component mechanism and uses a flexible component to realize mechanical transmission. Thus, a series of special functions which are difficult to achieve by other transmission are obtained. Because the deformation process of the intermediate flexible member is basically a symmetrical harmonic, it is named. In addition to the former Soviet Union called this kind of transmission waveform transmission or flexible wheel transmission, the United States, Britain, Germany, Japan and other countries are called "harmonic drive".
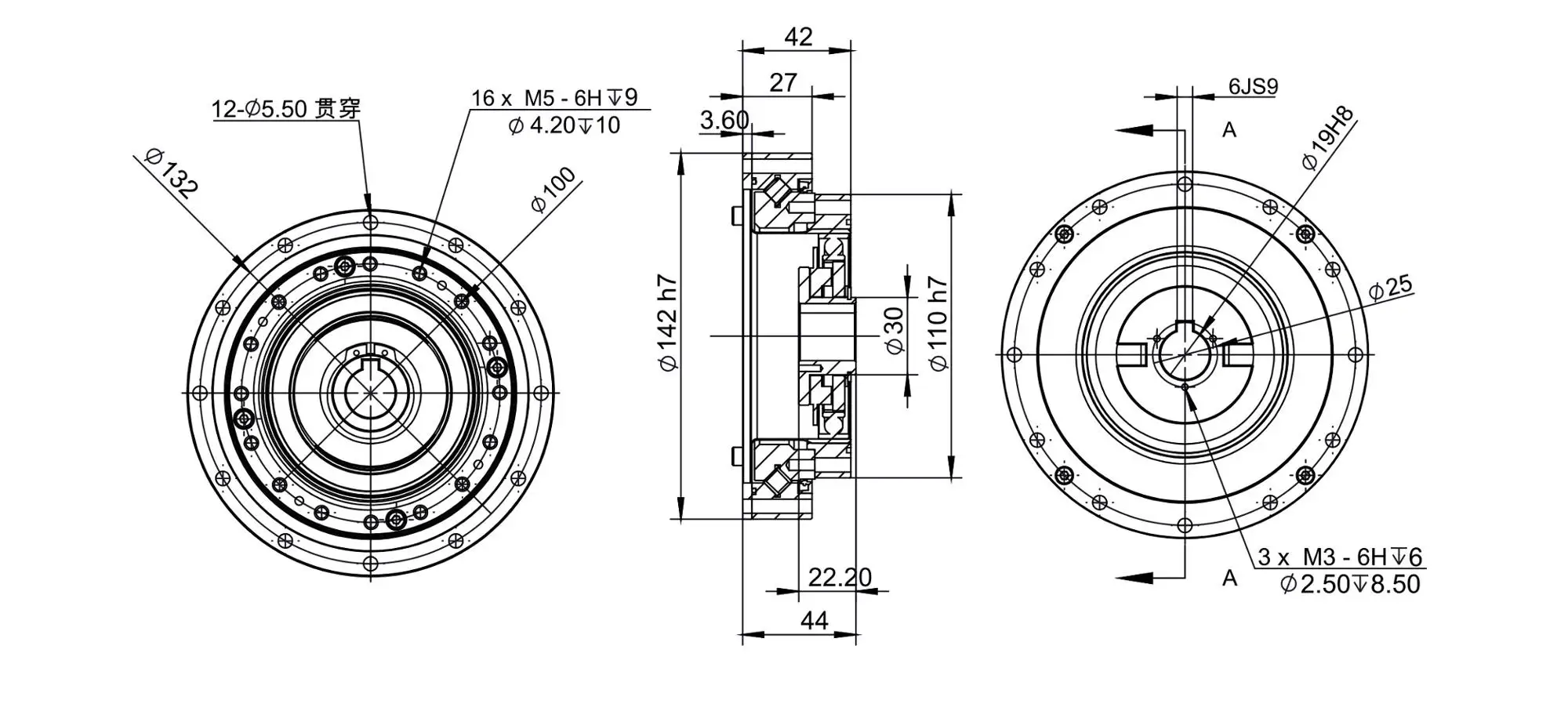
The composition of the gear transmission Rigid wheel: rigid internal gear, usually 2 teeth more than flexible wheel, usually fixed on the chassis. Flexible cup: thin cup type metal elastic part with outer gear on the outer ring, which is deformed with the rotation of the wave generator and is usually connected with the output shaft. Wave generator: consisting of an elliptic cam and a flexible bearing, usually connected to the input shaft. The inner ring of the flexible bearing is fixed on the cam, and the outer ring can be elastically shaped into ellipse through the ball.
The principle of gear transmission deceleration The principle of the harmonic gear deceleration is the relative motion of the flexible wheel, the rigid wheel and the wave generator, which is mainly the flexible deformation of the flexible wheel to realize the movement and the transmission of the power. The oval cam in the wave generator rotates in the flexible wheel to make the flexible wheel deform, and the flexible wheel gear and the rigid wheel gear at both ends of the shaft of the oval cam shaft of the wave generator. The flexible wheel teeth at both ends of the short shaft are removed from the gear teeth at the ends of the short axis. The teeth between the long axis and the short axis of the wave generator are located in the different sections of the two circumference of the flexible wheel and the steel wheel in the meshing state, which is called meshing. In the state of gradual withdrawal from meshing and semi-meshing, it is called meshing out. When the wave generator is continuously rotated, the flexible wheel produces the deformation continuously, making the two wheels rodent, meshing, meshing and disengaging four kinds of motion to change their original working state and produce the wrong tooth motion, and realize the movement transmission of the active wave generator to the flexible wheel. |


Harmonic gear reducer in aviation, aerospace, energy, navigation, shipbuilding, bionic machinery, commonly used ordnance, machine tools, instruments, electronic equipment, mine metallurgy, transportation, lifting machinery, petrochemical machinery, textile machinery, agricultural machinery and medical equipment are increasingly widely used, especially in the high dynamic performance servo system, the harmonic gear transmission shows its superiority. It transmits power from tens of watts to tens of kilowatts, but high-power harmonic gear drives are mostly used in short-term work fields.
1. Professional factory for the hollow rotary reducer with professional engineer team; test team and sale team.
2. Strong Assets factory can give future and stable service.
3. Good and stable quality let you use satisfying.
4. Long service life and competitive price.
5. Fast Reply and Good Sevice.
Founded in 2010, Dongguan SaiNi Mechanical Electrical Equipment Co., Ltd. is a diversified company that integrates sales and overall automation scheme design services.
Since its establishment, the company has been committed to providing customers with high-quality and high-performance products, and constantly introducing high-end well-known brands at home and abroad to meet the demand of automation industry in China. Through continuous efforts and development, its customers have spread across the country, involving all walks of life. The company, with "good faith" and "mutual benefit and win-win" as its tenet, leads the market relying on excellent products, stable performance, reasonable market price and excellent after-sale services, and has become an outstanding enterprise in the regional industry.






At present, the main industries served cover the lithium battery industry, robot industry, mobile phone industry,
printing industry, laser industry, medical industry, etc. The company has a perfect pre-sales and after-sales service system and is set with Marketing Department, Propaganda Department, Sales Department, Engineering Department, Storage Department and After-Sales Service Department. In addition, the sales network has been set up all over the country, and the partners have been all over provinces, cities and autonomous regions throughout the country, with the direction of the follow-up development to set up a sales network in Southeast Asia, Japan, South Korea and other neighboring countries. For the successful introduction of all new products, the company will organize the engineers and sales teams to study and continue to popularize the knowledge for business elites in other sales networks throughout the country so as to quickly master the related product knowledge and better develop the customer resources. Besides, the users may be organized to accept training of the basic knowledge on the product debugging and use so that they can get familiar with and apply the products faster. In order to better promote the products, the company has established a dynamic product exhibition hall to demonstrate the various product application modes. The mechanical model of the hands-on demonstration may also be shown at the exhibition in which our company participates nationally so that customers can further intuitively understand the products and better apply the new products into traditional design structures in order to achieve the purpose of new product dissemination.
Q1. How to choose a reducer which meets our requirement?
A: You can refer to our catalogue to choose the reducer or we can help to choose when you provide the technical information of required output torque, output speed and motor parameter etc.
Q2. What information shall we give before placing a purchase order?
A: Please tell me Type of the reducer, ratio, input and output type, input flange, mounting position, and motor information etc.
Q3. Do you sell the motors?
A: We have stable motors suppliers who have been coperating with us for a long-time. We can provide motors with high qualit.
Q4. Are you a manufactuer or trading company?
A: We are a manufactuer.
Q5. What are your terms of payment?
A: 100% before delivery. We'll show you the photos of the products and packages before the delivery or you can do inspection before delivery.
Q6. What are your terms of delivery?
A: EXW, FOB, CIF.
Q7. How about your delivery time?
A: Generally, it will take 5 days after receiving your balance payment. The specific delivery time depends on the items and the quantity of your order.
Q8. Can you produce according to the samples?
A: Yes, we can produce by your samples or technical drawings. We can build the molds and fixtures.
Q9. What is your sample policy?
A: We can supply the sample if we have ready parts in stock, but the customers have to pay the sample cost and the courier cost.
Q10. Do you test all your goods before delivery?
A: Yes, we have 100% test before delivery
Q11: How do you make our business long-term and good relationship?
A: 1. We keep good quality and competitive price to ensure our customers benefit;
A: 2. We respect every customer as our friend and we sincerely do business and make friends with them, no matter where they come from.
New products from manufacturers at wholesale prices