Share on (60811775160):


Specification | ||
Working voltage | DC8V-36V Continuous | |
Power consumption | Standby: 24v: MAX 1W | |
Working: 24v: MAX 5W | ||
Rated frequency | 40.0-80.0Hz(50.0Hz) | |
Rated voltage | 80-360V(230V) | |
Rated current | 5-6000A(500A) | |
Rated power | 5-2000Kw(276Kw) | |
Rated battery voltage | 8.0-36.0V(24.0V) | |
Rated RPM | 500-4500RPM(1500) | |
Protection Level | IP54 | |
Overall Dimension | 210mm*160mm*50mm | |
Panel cutout | 186mm*142mm | |

☑ 3.5 inch big screen LCD, option language interface(Chinese/English), user's language set if necessary.
☑Indicator and number display through UI surface.
☑Acrylic material is adapted to protect the screen. Silicone panels;
☑USB Port: parameters can be set even without power through USD port to monitor in real time.
☑With RS485 communication port, can achieve "Three Remote" functions via MODBUS protocol.

There are four Models under DC5xD series.
DC50D: used for single machine automation.Start/Stop through remote start signal.
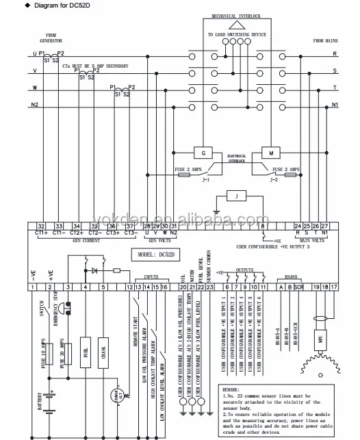
DC52D:Based on DC50D, it adds Mains monitoring and AMF (Mains/Generator automatic switching control ) , especially suitable for the automation system composed by mains and genset.
DC50DR: Based on DC50D, it adds Rs485 port.
DC52DR: Based on DC52D, it adds Rs485 port.

Generator Controllers for your options | ||||||||
Key Start Controller | ||||||||
Auto/Manual Start Controller (Small Size) | ||||||||
Auto/Manual Start (Big Size) | ||||||||
AMF ATS Controllers | ||||||||
PARALLEL MODULE | ||||||||











Shipping Policy Delivery Time
USA, Canada ,Australia, West and North Europe 4-7 Business Days, Other country 5-8 Business Days
Shipping address:Please, make sure to provide us with correct, precise, and detailed shipping Address.


New products from manufacturers at wholesale prices