Share on (60816031982):
110DS series Cam indexer
Product Description:
<
Brand:chengchang | Product certification:ISO9001 | Processing customization:Yes |
Disk diameter:350-1100mm | Bearing weight:0-120KG | Mainly applied to:Automatic assembly and testing |
Location and segmentation of equal parts:2,3,4,5,6,8,10,12,16,20,24,30,32,36,40,48 | ||
Driving angle:90°,120°,150°‘180°,210°,240°,270°,300° | ||
Cam curve: deformation curve, deformation sine curve and deformation velocity curve. | ||
Rotation direction of cam: left and right. | ||
Standard accuracy:±30 seconds, customizable±15 seconds high precision.
Weight: 65kg torque limiter (TL): 500 lubricant: 90#
Matching motor: 400/750W motor speed at 1400 or 1450.
Advantage:
One. Durability
1. cam processing technology is carburizing and grinding, the hardened layer is about 5mm.
2. surface spray paint is diaphragm type dry antirust oil.
3. the internal bearing is imported from Japan, NSK/NTN.
Two. Price concessions. In the same quality, our price is the most favorable.
Three. Large quantities of stock.
Parameter table:
All Allowable radial load of output shaft (C1): 500kgf | Max.repetitive torque on input shaft(C5): 32kgf-m |
All Allowable axial load of output shaft (C2): 550 kgf | CD² on input shaft(Note1): 2.8*10-2kgf-m² |
All Allowable torque of output shaft (Ts): Reference torque table | Indexing accuracy: ±30 Sec. |
All Allowable radial load of intake shaft (C3): 360 kgf | Weight: 65 kg |
Ma Max.repetitive bending force on input shaft (C4): 290 kgf |
|
Note1:CD² on input shaft is value dwell ragne . Note2:Value of c1 to c5 are those obtained for safety factor=2.
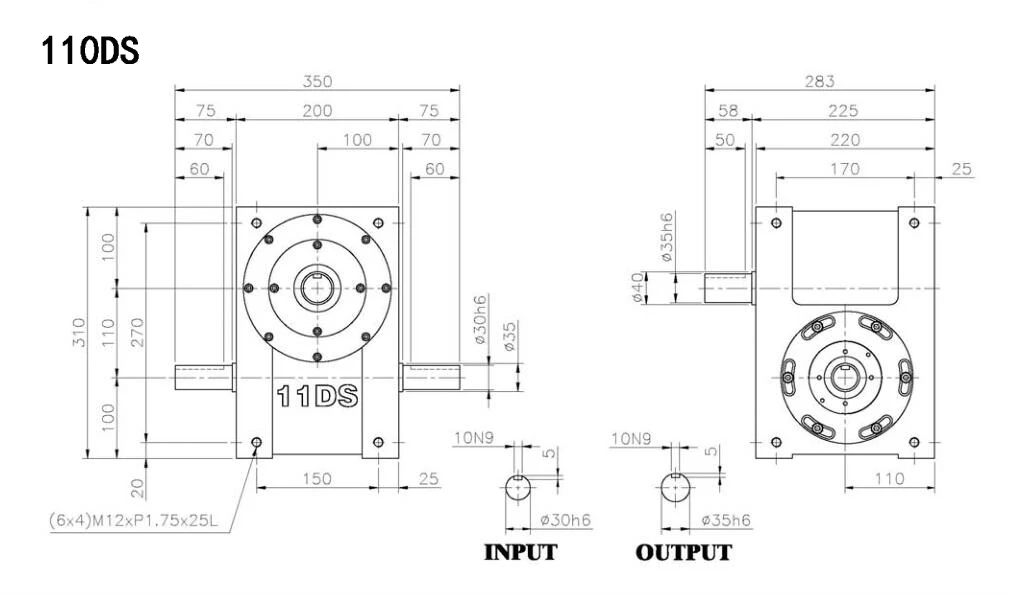
Size diagram:




Adequate Storage

Large scale standard industrial workshop

Advanced production equipment

Precision testing equipment

Application of cam indexer

New products from manufacturers at wholesale prices