Орбитальные двигатели GR200

Share on (60830891033):


Price:

Quantity:


Product Overview

Description



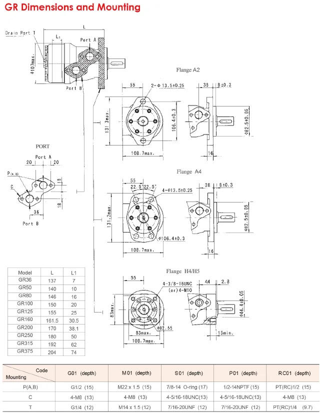
Product Description


Product description



  •  Iterminttent operation:the permissible values may occur for max.10% of every minute.

  • Peak load:the permissible values may occur for max.1% of every minute.

  • For speeds lower than given, consult factory or your regional manager.

  • 1.Intermittent speed and intermittent pressure must not occur simultaneously.

  • 2.Recommended filtration is per ISO clealiness code 20/16. A nominal fltration of 25 micron or better.

  • 3.Recommend using a premium quality,anti-wear type mineral based hydraulic oil HLP(DIN51524)or HM(ISO6743/4)

  • If using synthetic fluids consult the factory for alternative seal materials.

  • 4.Recommended  minimum  oil viscosity 13mm²/s[70SUS] at 50℃[122°F]

  • 5.Recommended  maximum system operating temperature is 82℃[180℉]

  • 6.To assure optimum motor life fill with fluid prior to loading and run at moderate load and speed for 10-15 minutes.


 


 







Company Information


Company Information


2.1 company information 





Workshop


Workshop


 





Application


Application


 4.1 Application





Exhibition


Exhibition


5.1 exhibition


 


 





Our Partners


our partners


_20181212120036


 





Our Certification


our certification


1_11 




0.228 s.