Share on (60835793329):

The WE series features equal load ratings in the radial, reverse radial and the lateral direction with contact points at 45 degrees. This along with the wide rail, allows the guideway to be rated for high loads, moments and rigidity. By design, it has a self-aligning capability that can absorb most installation errors and can meet high accuracy standards. The ability to use a single rail and to have the low profile with a low center of gravity is ideal where space is limited and/or high moments are required.
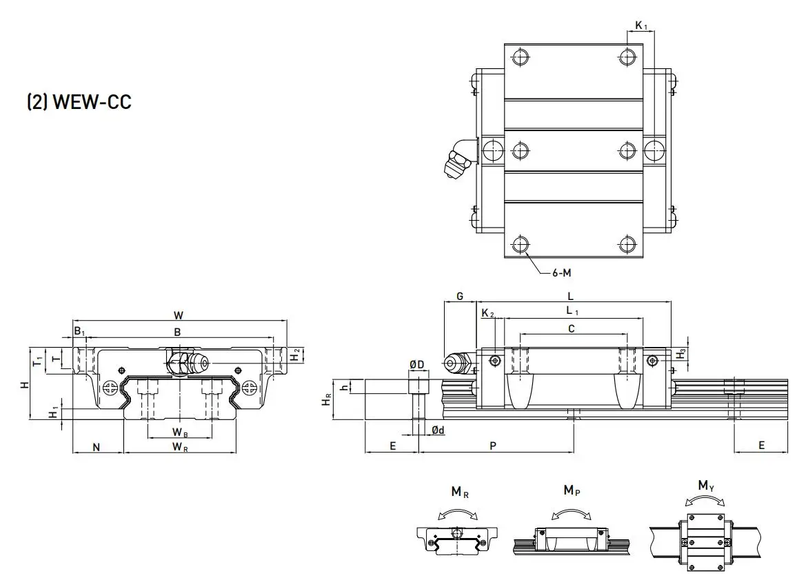
Block types
HIWIN offers two types of linear guideways of square type and flange type.
Product Name | HIWIN Linear guide |
Material | S55C for slide block, SCM420H for linear rails |
Part Number | WEW35CCZAC, WEW35CC |
Block Type | Square type block |
Grade | C,H,P |
Load Type | Heavy load |
Block Mounting | Mounting from top and bottom |
Preload Class | Light Preload (0 ~ 0.02C) Medium Preload (0.03 ~ 0.05C), Basic Dynamic Load Range: 5.23kN - 29.8 kN |
Application | CNC, Grinding, Milling, Drilling machine, Lathe |








1. Flange Type, Open Type, Long Type, AJ Type all have sold.
2. Stock Brand:
NJSKT (China)
IKO (Japan)
THK(Japan)
SAMICK (KOREA)
1. Single Row, Double Row,
2.Precision ones for Ball Screws.
3.Highly Rigid Series And High Load Capacity,
4. Stocked Brand For NSK-HIWIN-NTN

1. You can choose any payment way on the right.
2. Please remember to contact us about your right address, so that we can arrange the delivery as soon as possible.

1. For small orders,we will send them by express, such as UPS,DHL,FEDEX, DHL or EMS with Tracking number.
2. For large quantity, we will ship them by air or by sea.
3. If you have your own courier account or forwarder, then please tell us in advance.

1. We are a professional manufacturer and we can supply you all kinds of technical support.
2. We have strict quality control processes and we supply high quality bearings with fair price.
3. We can manufacture any bearings according to the drawings and samples of our customers.
Packing Details : 1. Industrial packaging: plastic bag + kraft paper + carton + plywood pallets; plastic tube + carton + plywood pallets; 2. Commercial packing: 1pc/plastic bag + color box + carton + plywood pallets 3. As the customers' requirement
Delivery Details : 2-30 Working Days after order confirmed
Our factory was found in May 2008, registered trademark for NJSKT. We are a professional manufacturer of Bearings.
In 2010 year, we passed ISO 9001 Quality management system sertificate. The main products of our factory are Machinery Bearings, Angular Contact Ball Bearings. Our factory can provide all standard bearings and we can also customize non-standard bearings according to our customers. Customized Bearing means that we can make them Track Roller Bearings, Needle Bearings, Cam Follower, we also produce Tapered Roller Bearings, Automobile Hub Bearings, Agricultural according customer's dimensions and construction, Then hang customer's own tags and package them according to request of customers.



A: We are bearing manufacturer and agents for linear motion products.
A: Generally it is 5-10 days if the goods are in stock. or it is 15-20 days if the goods are not in stock, it is according to quantity.
A: Yes, we could offer the sample for free charge but do not pay the cost of freight.
New products from manufacturers at wholesale prices