Share on (60836441560):
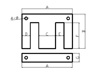
EI Lamination is made by the silicon steel strip. The model of EI lamination in standard sizes is from EI 28 to EI -240, and the model of EI lamination in non-standard sizes is from EI-36 to EI-360. the gap sizes of transformer lamination core can be customized.
Three -phase EI lamination is made by the silicon steel strip. The model of three-phase EI lamination is from three-phase (20) to three phase (100), and the hole size is from Φ4.5 to Φ14, The gap sizes of transformer lamination core can be customized.
UI lamination is made by the silicon steel strip.the model of UI lamination is from UI-30 to UI-100, and the hole size is from Φ 8 to Φ 14. The gap sizes of transformer lamination core can be customized.

| Model | A | B | C | D | E | F | G | Hole Size |
| EI-28 | 28 | 25 | 8 | 4 | 4 | 17 | 21 | |
| EI-30 | 30 | 25 | 10 | 5 | 5 | 15 | 20 | |
| EI-35 | 35 | 29.5 | 10 | 5 | 7.5 | 19.5 | 24.5 | |
| EI-38.4 | 38.4 | 32.2 | 12.8 | 6.4 | 6.4 | 19.2 | 25.7 | |
| EI-38.4 | 38.4 | 52 | 12.8 | 6.4 | 6.4 | 38.4 | 45.5 | |
| EI-41 | 41 | 27 | 13 | 6 | 8 | 21 | 27 | |
| EI-42 | 42 | 35 | 14 | 7 | 7 | 21 | 28 | 3.5 |
| EI-48 | 48 | 40 | 16 | 8 | 8 | 24 | 32 | 3.5 |
| EI-50 | 50 | 42 | 14 | 9 | 9 | 25 | 34 | |
| EI-54 | 54 | 45 | 18 | 9 | 9 | 27 | 36 | 3.5 |
| EI-57 | 57 | 47.5 | 19 | 9.5 | 9.5 | 28.5 | 38 | 4.0 |
| EI-60 | 60 | 50 | 20 | 10 | 10 | 30 | 40 | 3.5 |
| EI-66 | 66 | 55 | 22 | 11 | 11 | 33 | 44 | 4.5 |
| EI-75 | 75 | 62.5 | 25 | 12.5 | 12.5 | 37.5 | 50 | |
| EI-76.2 | 76.2 | 63.5 | 25.4 | 12.7 | 12.7 | 38.1 | 50.8 | 5.0 |
| EI-78 | 78 | 65 | 26 | 13 | 13 | 39 | 52 | 5.0 |
| EI-78 | 78 | 67 | 22 | 14 | 14 | 39 | 53 | 5.0 |
| EI-84 | 84 | 70 | 28 | 14 | 14 | 42 | 56 | 5.0 |
| EI-85.8 | 85.8 | 71.5 | 28.6 | 14.3 | 14.3 | 42.9 | 57.2 | 5.0 |
| EI-96 | 96 | 80 | 32 | 16 | 16 | 48 | 64 | 6.2 |
| EI-105 | 105 | 87.5 | 35 | 17.5 | 17.5 | 52.5 | 70 | 6.0 |
| EI-108 | 108 | 90 | 36 | 18 | 18 | 54 | 72 | 5.5 |
| EI-114 | 114 | 95 | 38 | 19 | 19 | 57 | 76 | 7.0 |
| EI-120 | 120 | 100 | 40 | 20 | 20 | 60 | 80 | 7.0 |
| EI-132 | 132 | 110 | 44 | 22 | 22 | 66 | 88 | 7.0 |
| EI-133.2 | 133.2 | 111 | 44.4 | 22.2 | 22.2 | 66.6 | 88.8 | 7.0 |
| EI-144 | 144 | 124 | 40 | 26 | 26 | 72 | 98 | 7.0 |
| EI-150 | 150 | 125 | 50 | 25 | 25 | 75 | 100 | 8.0 |
| EI-152.4 | 152.4 | 127 | 50.8 | 25.4 | 25.4 | 76.2 | 101.6 | 8.0 |
| EI-162 | 162 | 135 | 54 | 27 | 27 | 81 | 108 | 8.0 |
| EI-168 | 168 | 140 | 56 | 28 | 28 | 84 | 112 | 9.0 |
| EI-171 | 171 | 142.5 | 57 | 28.5 | 28.5 | 85.5 | 114 | 9.0 |
| EI-174 | 174 | 145 | 58 | 29 | 29 | 87 | 116 | 9.0 |
| EI-180 | 180 | 150 | 60 | 30 | 30 | 90 | 120 | 10.0 |
| EI-192 | 192 | 160 | 64 | 32 | 32 | 96 | 128 | 10.0 |
| EI-210 | 210 | 175 | 70 | 35 | 35 | 105 | 140 | 10.0 |
| EI-240 | 240 | 200 | 80 | 160 | 40 | 120 | 160 | 10.0 |
| Item | Ballast Core |
| Type | Steel Coil |
| Thickness | 0.35 ~ 0.50mm |
| Width | According to your requests |
| Coil Weight | 4 ~ 8 tons |
| Material | BAO Stleel: B501300, B50A1000, B50A800, B50A700, B50A600, B50A470, B35A440, B35A550, B65A600, B65A1600 B WU Steel: 50WW1300, 50WW1000, 50WW800, 50WW700, 50WW600, 50WW470, 35WW350, 35WW310, 65AW600, 65AW1600 AN Steel: 50AW1300, 50AW1000, 50AW800, 50AW700, 50AW600, 65AW1600, 65AW600, 35AW440, 35AW550 Tai Steel: 50TW290, 50TW310, 50TW470, 50TW600, 50TW800 |
| Surface Treatment | C-4 Insulated Coated |
| OEM and ODM | Welcome |
| Application | Motor, electric engine, dynamo, transformer, electromagnetic switch, reactor, magnetic amplifiers, ballast, relay, yoke flow circle and other industry usage. |
1. Low iron loss, high magnetic flux strength, comes up to the international advance standard
2. Slight thickness difference between the horizontal and the longitudinal direction, promising the high lamination factor
3. Processing Performance: Easily punched and cut, high dimensional accuracy
4. Insulating Coating: Uniform color, good insulation, strong adhesive, high heat resistance, high putrescibility
5. Smooth surface, no rust, no rolling marks, no cold lap, no crease, no bubble cell, no delamination defects.

Established in 1986, our company is one of the earliest enterprises engaged in the Ballast Cores production. We are located in Jiangyin City, Jiangsu Province, enjoying a convenient location and transportation.
We have been specialized in the development and manufacture of Ballast Cores for more than 20 years. Till now, we have introduced dozens of fully automatic high-speed precision punch presses and other punch presses, and hundreds of international standard series of high-precision carbide dies.
We produce all kinds of power transformer and ballast supporting series EI type Ballast Core (EI CORE), HID series and BTA series ballast Ballast Core, fixed rotor of electric tool, and we also produce many special specifications of Ballast Cores, including EI type, F type, inductors and reactor.



1. Directly manufacturing factory with competitive price and quality control, we check all material when we start to bulk productions.
2. Professional advice to help you purchase the products you wanted
3. Professional export service team servers in the deal.
4. Customization service is available, OEM business is appreciated.
5. We will inspect and test all products material carefully to ensure no damage and lost.
6. The success of our cooperation can be guaranteed for our company is a credible and honest partner.
| Sample |
| About our technical support |
We own DOUBLE-HEAD COIL CRADLE(without motor):
Feature:Suitable for straightening machine.
Save the time for feeding ,improve the ability for producing,low cost,be more competitive.

Q: How long is your delivery time?
A: Generally it is 5-10 days if the goods are in stock. or it is 15-20 days if the goods are not in stock, it is according to quantity.
A: Payment<=1000USD, 100% in advance. Payment>=1000USD, 30% T/T in advance ,balance before shippment.
If you have another question, pls feel free to contact us as below:
New products from manufacturers at wholesale prices