Share on (60843567272):
350DT Series Cam Indexer
Product Description:
<
Brand:chengchang | Product certification:ISO9001 | Processing customization:Yes |
Disk diameter:800-2800mm | Bearing weight:0-2000KG | Mainly applied to: Automaic assembly machine, printing press |
Location and segmentation of equal parts:2,3,4,5,6,8,10,12,16,20,24,30,32,36,40,48 | ||
Driving angle:90°,120°,150°‘180°,210°,240°,270°,300° | ||
Cam curve: deformation curve, deformation sine curve and deformation velocity curve. | ||
Rotation direction of cam: left and right. | ||
Standard accuracy:±30 seconds, customizable±15 seconds high precision.
Weight:1200 kg torque limiter (TL): 800 lubricant:90-140#
Matching motor: 6KW motor speed at 1400 or 1450.
Advantage:
One. Durability
1. cam processing technology is carburizing and grinding, the hardened layer is about 5mm.
2. surface spray paint is diaphragm type dry antirust oil.
3. the internal bearing is imported from Japan, NSK/NTN.
Two. Price concessions. In the same quality, our price is the most favorable.
Three. Large quantities of stock.
Parameter table:
All Allowable radial load of output shaft (C1): 4500 kgf | Max.repetitive torque on input shaft(C5): 1000 kgf-m |
All Allowable axial load of output shaft (C2): 3300 kgf | CD² on input shaft(Note1): 2.7 kgf-m² |
All Allowable torque of output shaft (Ts): Reference torque table | Indexing accuracy: ±30 Sec. |
All Allowable radial load of intake shaft (C3): 2800 kgf | Weight:1200 kg |
Ma Max.repetitive bending force on input shaft (C4): 3800 kgf |
|
Note1:CD² on input shaft is value dwell ragne . Note2:Value of c1 to c5 are those obtained for safety factor=2.
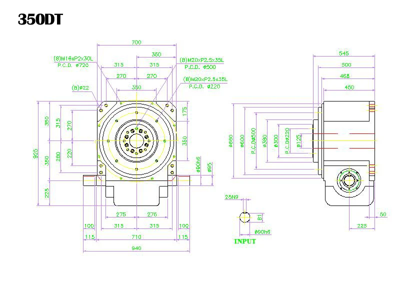
Size diagram:




Adequate Storage

Large scale standard industrial workshop

Advanced production equipment

Precision testing equipment

Application of cam indexer

New products from manufacturers at wholesale prices