Share on (60849852020):
HENT Electric Ball Valve
HENT DQF series electric ball valve is specifically designed for dry bulk material handling. It is widely used in silo bottom aeration control system, particularly in cement industry for fluidization of solid bulk materials, preventing material jams. It is hard working and is a perfect substitution for tradition solenoid valve and butterfly valve.Panted by State Intellectual Property Office of the PR China (SIPO), HENT electric ball valve has an share of 80% domestic market and are also well-known worldwide. It is approved and accepted by hundreds of End Users and EPCs in China and abroad, including China Resources Cement Holdings Limited, SINOMA, TCDRI, HCDRI , SUNNSY Group ,Lafarge Group , NRCC & SPCC (SA) KCCL & GCL (PK) etc. They are serving in over three hundred cement plants all around the world.
(Chinese Patent No.: ZL01 2 69494. 0)

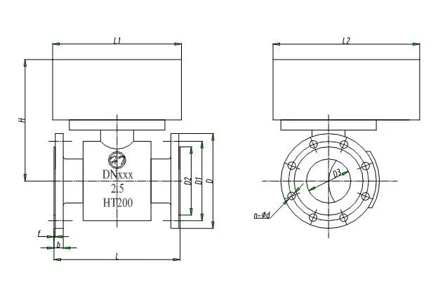
General Drawing:

Dimensions(mm)
DN D3 |
Main Dimensions | Weight (Kg) | |||||||||
L | D | D1 | D2 | f | b | n-φd | L1 | L2 | H | ||
15 | 130 | 95 | 65 | 46 | 2 | 14 | 4-14 | 185 | 245 | 190 | 19 |
20 | 150 | 105 | 75 | 56
| 2 | 14 | 4-14 | 185 | 245 | 195 | 20 |
25 | 160 | 115 | 85 | 65 | 2 | 14 | 4-14 | 185 | 245 | 200 | 22.5 |
32 | 180 | 135 | 100 | 78 | 2 | 16 | 4-18 | 185 | 245 | 210 | 25 |
40 | 200 | 145 | 110 | 85 | 2 | 16 | 4-18 | 185 | 245 | 215 | 30 |
50 | 250 | 160 | 125 | 100 | 3 | 16 | 4-18 | 185 | 245 | 222.5 | 35 |
65 | 250 | 180 | 145 | 120 | 3 | 16 | 4-18 | 310 | 350 | 260 | 45 |
80 | 250 | 195 | 160 | 135 | 3 | 20 | 8-18 | 310 | 350 | 262.5 | 50 |
100 | 280 | 215 | 180 | 155 | 3 | 20 | 8-18 | 310 | 350 | 277.5 | 55 |
125 | 300 | 245 | 210 | 185 | 3 | 22 | 8-18 | 310 | 350 | 292.5 | 65 |
150 | 300 | 285 | 240 | 210 | 3 | 24 | 8-23 | 310 | 350 | 310 | 80 |
200 | 460 | 335 | 295 | 260 | 3 | 25 | 12-23 | 310 | 350 | 400 | 160 |



New products from manufacturers at wholesale prices