Share on (60862336066):

Ofeixin Technology would like to announce a low-cost and low-power consumption module which has all of the WiFi and Bluetooth functionalities. The highly integrated module makes the possibilities of web browsing, VoIP, Bluetooth headsets applications. With seamless roaming capabilities and advanced security, also could interact with different vendors' 802.11a/b/g/n/ac 2x2 Access Points in the wireless LAN.
The wireless module complies with IEEE 802.11 a/b/g/n/ac 2x2 MIMO standard and it can achieve up to a speed of 867Mbps with dual stream in 802.11n to connect the wireless LAN. The integrated module provides USB interface for WiFi and Bluetooth.
This compact module is a total solution for a combination of WiFi + BT technologies. The module is specifically developed for Smart TV and OTT Box application.




& Consumer Application
Tablet/Smart TV/IPTV/OTT/IPC/AI Speaker/Security System /Toys
& Commercial And OA Application
Printer/POS Terminal/Projector/Meeting System/Interactive WhiteBoard/Education Equipment
& Industrial And Vehical Application
Instruments/Vehicle before-assembly/ afterassembly/High-speed train/Charging pile
& Medical Application
Medical equipments/Medical instruments
& Other Consumer Electronic Products

Model No | 8279D-UU | Main Chipset | QCA9379 |
WIFI/BT Interface | USB | WIFI Standars | 802.11a/b/g/n/ac +BLE4.2 |
Date Rates | 867Mbps | Certification | RoHS,REACH |
RF Antenna | External Antenn | OS Supported | Android /Linux/Windows |
Operating Frequency | 2.4-5.8GHz | Operating Voltagc | 3.3V |
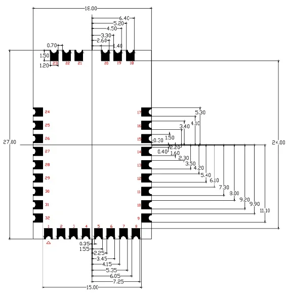
Dimensions | L x W : 18x 27 mm | RF Chains | 2T2R |
Operating temperature | 0°C to 70°C | Storage temperature | -40°C to 90°C |
Respect of the customer,please contact the sales staff before purchasing module to carry out pre-sale consultation.Otherwise,the module may not meet your needs or modules have no inventory.
Detailed specifications docs,please download from the official website or sales.
skype:+86 15982458633



New products from manufacturers at wholesale prices