Share on (62008884466):


LW30 series Rotary Isolator Switch
LW30 series 3 Phase Universal Isolator switch Main Switch with “ON-OFF”
Product Description:
General Features:
Advantage:
Technical parameters:
| Description | LW30-25(20) | LW30-32 | LW30-40 | LW30-63 | LW30-80 | |||||||
| Rated thermal current | ITH | A | 25(20) | 32 | 40 | 63 | 80 | |||||
| Rated working voltage | LE | V | 240 | 440 | 240 | 440 | 240 | 440 | 240 | 440 | 240 | 440 |
| Ie/Pe | Ie/Pe | |||||||||||
| AC-21A | A/KW | 20/- | 20/- | 32/- | 32/- | 40/- | 40/- | 63/- | 63/- | 80/- | 80/- | |
| AC-22A | A/KW | 20/- | 20/- | 32/- | 32/- | 40/- | 40/- | 63/- | 63/- | 80/- | 80/- | |
| AC-23A | A/KW | 15/4 | 15/7.5 | 22/5.5 | 22/11 | 30/7.5 | 30/15 | 43/11 | 43/22 | 57/18.5 | 57/30 | |
| AC-3 | A/KW | 11.7/3 | 11.7/5.5 | 15/4 | 15/7.5 | 22/7.5 | 22/11 | 36/11 | 36/18.5 | 43/15 | 57/30 | |
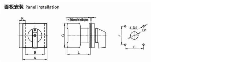
Dimensions and installation dimensions:

| Description | Dimensions(mm) | Installation(mm) | |||||||
| A | B | C | K | L | E | F | D1 | D2 | |
| LW30-20 | 64 | 42 | 54 | 13.5 | 61 | 48 | 48 | Φ10 | Φ4.2 |
| LW30-25 | 64 | 42 | 54 | 13.5 | 61 | 48 | 48 | Φ10 | Φ4.2 |
| LW30-32 | 64 | 42 | 54 | 13.5 | 61 | 48 | 48 | Φ10 | Φ4.2 |
| LW30-40 | 64 | 50 | 64 | 16 | 67 | 48 | 48 | Φ10 | Φ4.2 |
| LW30-63 | 64 | 50 | 64 | 16 | 67 | 48 | 48 | Φ10 | Φ4.2 |
| LW30-80 | 64 | 70 | 80 | 22.5 | 82 | 48 | 48 | Φ10 | Φ4.2 |
| LW30-100 | 64 | 70 | 80 | 22.5 | 82 | 48 | 48 | Φ10 | Φ4.2 |
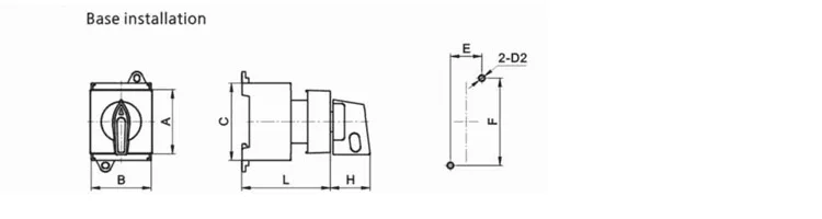
Description | Dimensions(mm) | Installation(mm) | ||||||
| A | B | C | L | H | E | F | D2 | |
LW30-20 | 45 | 42 | 54 | 50 | 26 | 22 | 60 | Φ4.2 |
LW30-25 | 45 | 42 | 54 | 50 | 26 | 22 | 60 | Φ4.2 |
LW30-32 | 45 | 42 | 54 | 50 | 26 | 22 | 60 | Φ4.2 |
Normal working conditions:
Classification
1. Classified by utilization, control and load switch.
Main switch Control switch
2. Classified by Usages
AC-23A AC-3
Without Water-proof box:IP2L0 With Water-proof box:IP65
Related Products shown:
LW30 series Rotary Isolator Switch 20A-100A (4Pole)









New products from manufacturers at wholesale prices