Share on (62009673767):
Supply Voltage | 85-260Vac, 50/60Hz |
Setpoint Range | 5~35℃ |
Setting Unit | 1°F or 0.5℃ /step |
Display Accuracy | ± 1°F or 0.1℃ |
Display | 480*320 Colour LCD display |
Operation | Capacitive Touch screen |
Mode Setting | Heating, Cooling and Ventilating |
Fan Speed Adjust | High, Medium, Low and Automatic fan speed control |
Cycling Fan Control | Fan cycled running with thermostat |
Control Performance | ON/OFF control |
Differential | 1 ℃/2°F |
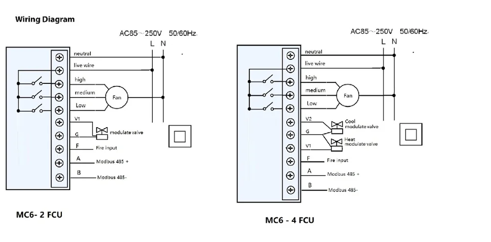
Thermostat Output | SPST relay for 2-pipe models 2 SPST relay for 4-pipe models |
Switch current rating | Resistive: 3A, Inductive: 1A |
Temperature Sensor | NTC Thermistor 100K |
Enclosure | Fire retardant PC ABS |
Minimum Operational Life | Thermostat contacts: 100,000 cycles |
Remote Controller(optional) | Infrared Remote Control |
Backlight Function(optional) | 10 seconds, White light |
Dimensions | 96 X 86 X 13.5mm (W×H×D) |
Hole Pitch | 60 mm |
Environmental requirements | Operating temperature range 0 ~ 45℃, Humidity range 5 ~ 95 %RH (non-condensing) |
Mounting | Embeded mounting, standard 86 × 86 mm junction box (hole pitch 60 mm) |
Wiring | Screw-in terminals, each terminal capable of accepting 16 AWG, 18 AWG, 1.5 mm2 or 2.5 mm2 wires |

![]()
1. Company Logo on Product
2. Company Logo in boot video
3. Branded Packaging
4. Branded Manual
5. Branded Terminal Label
![]()

![]()
![]()
![]()
![]()
![]()



New products from manufacturers at wholesale prices