Share on (62012681388):
Product Summary
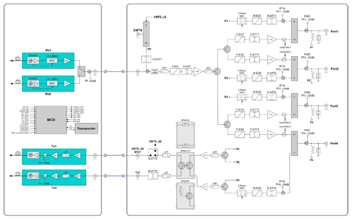
OPR-1004MLD outdoor optical node can be configured 2 forward path optical receiver modules, 2 return path optical transmitter modules, 1Ethernet transponder module and 2 switching power supply modules at most. Adopts advanced optical AGC technology, the adjustment of output level and output slope both adopt fixed inserter. Add LED nixie tube display function, can output 4-way forward path signal (≥108dBμV) at most.
1) Forward path optical receiving part adopts advanced optical AGC technology, the input optical power range extended to -8~+2dBm.
2) Forward path optical receiving part: RF operating bandwidth extended to 1GHz, each way maximum output level up to 114dBμv.
3) The attenuation and equilibrium control circuit adopts fixed inserter, and achieve remote monitoring by NMS.
4) RF amplifier part adopts quick plug modular design, can quickly replace RF amplifier module without dismantling the RF cable connector.
5) Built-in perfect condition monitoring circuit and support Ethernet transponder.
6) Built-in tri-state gate switch circuit in the return path. Three states passthrough, -6dB and OFF can be remote set by network management responder.
7) Reserved C-CMTS forward path and return path RF interface support DOCSIS EOC networking scheme.
Technique Parameter
Item | Unit | Performance Parameters | |
Forward Optical Receive Part | |||
Optical Parameters | |||
Optical AGC control range | dBm | +2~-8/-7/-6/-5 adjustable | |
Optical return loss | dB | >45 | |
Optical receiving wavelength | nm | 1100 ~ 1600 | |
— | FC/APC, SC/APC or specified by the user | ||
Optical fiber type | — | Single mode | |
Link Performance | |||
C/N | dB | ≥ 51 | -1dBm optical input, output level 108dBμV |
C/CTB | dB | ≥ 65 | |
C/CSO | dB | ≥ 60 | |
Frequency range | MHz | 45/87 ~862/1003 | |
Flatness in band | dB | ±0.75 | |
Rated output level | dBμV | ≥ 108 (when the optical AGC control range is +2~-8) | |
Max output level | dBμV | ≥ 114 (when the optical AGC control range is +2~-5) | |
Output return loss | dB | (85 ~550MHz) ≥16 / (550~1000MHz) ≥14 | |
Redundant receiver isolation | dB | ≥75 | |
Output impedance | Ω | 75 | |
Electrical control EQ range | dB | 0~15 (1dB stepping) | |
Electrical control ATT range | dB | 0~20 (1dB stepping) | |
Optical Parameters | |||
Optical transmit wavelength | nm | 1310±10, 1550±10 or specified by the user | |
Laser type | — | DFB or FP laser | |
Output optical power | mW | 1 | |
Optical connector type | — | FC/APC, SC/APC or specified by the user | |
RF Parameters | |||
Frequency range | MHz | 5 ~ 65 (or specified by the user) | |
Flatness in band | dB | ±0.75 | |
Input level | dBμV | 75~ 85 | |
Input return loss | dB | ≥16 | |
Independent transmitter isolation | dB | ≥60 | |
Input impedance | Ω | 75 | |
NPR dynamic range | dB | ≥15 (NPR≥30 dB) Use DFB laser | ≥10 (NPR≥30 dB) Use FP laser |
4 Block Diagram

Relation Table of Input Optical Power and CNR

New products from manufacturers at wholesale prices