Share on (62029308354):
Principle:
Safety chuck, horizontal mounting and vertical mounting. The design of standard safety chuck is simple, practical and easy to install, which provides fast, safe, reliable and simple coupling shaft and disconnection operation for frequent actions such as coupling transmission and disconnection. Moreover, the size of safety chuck transmission part can be designed and manufactured according to different mechanical specifications and characteristics. The whole structure is safe and free from loose rotation. The sliding safety chuck allows the operator to make axial adjustment during machine operation. Adjustment can be carried out by hand wheel (optional), axial support plate to ensure the safety of the crankshaft winding, accurate transmission of torque.
Technical parameters:
| Model | STO/STW28# | FLO/FLW28# |
| Max. loading weight (kg) | 800 | 800 |
| Max. torque kg/m (N.m) | 18(180) | 18(180) |
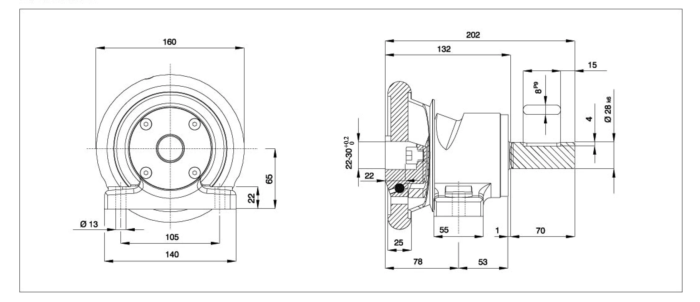
| Square hole (mm) | 22/25/25/30 | 22/25/25/30 |
| Net weihgt (kg) | 18 | 18 |



Features:
1, the overall structure of the safety chuck is reasonable, good rigidity, can withstand a greater torque, to eliminate the phenomenon of loose rotation.
2, accurate processing accuracy to ensure the accuracy of positioning, the spool holder using special heat treatment process;
3. Provide replaceable VT type reel holder, which can greatly extend the service life of the safety chuck;
4, the use of special properties of super alloy steel materials, superior durability, durability;
5, bayonet nickel plating treatment, bayonet after hardening treatment, high hardness, strong and durable, can ensure good performance in heavy load, high speed applications;
6. Reasonable tolerance fit of bayonet parts ensures smooth and continuous torque transmission process, greatly enhancing the safety performance of machinery.
7, simple installation, suitable for continuous sliding or high frequency use, buffer starting, with soft starting characteristics.


security guaranteed 100%
Protect Your Payment, Secure Your Order



New products from manufacturers at wholesale prices