Share on (62043902882):
Principle:
KAIDE Magnetic Powder Clutch is based on the electromagnetic principle and the use of magnetic powder transfer torque, excitation current and a linear relationship with basic transfer torque, in the case of has nothing to do with the slip can transfer torque, with fast response speed, simple structure, no pollution, no noise, no impact vibration energy saving advantages, is a kind of multi-purpose, superior performance of the automatic control components.

| MOdel | POC-006 | POC-015 | POC-025 | POC-050 | POC-100 | POC-200 | ||
| Rated torque[kgf-m] (N-m) | 0.6(6) | 1.2(12) | 2.5(25) | 5.0(50) | 10(100) | 20(200) | ||
Capacity DC24V 75°C | Current(A) | 0.74 | 0.9 | 1.1 | 1.4 | 2.0 | 2.5 | |
| Power(W) | 17.8 | 21.6 | 26.4 | 33.6 | 48 | 60 | ||
| No. of hours set(S) | 0.04 | 0.04 | 0.06 | 0.09 | 0.14 | 0.3 | ||
| Moment of inertia(Kgm²) | Input side | 2.70*10-3 | 6.3*10-3 | 1.2*10-2 | 2.6*10-2 | 7*10-2 | 2.1*10-1 | |
| Output side | 5.0*10-4 | 1.1*10-3 | 2.3*10-3 | 5.8*10-3 | 1.5*10-2 | 5.0*10-2 | ||
| Weight(kg) | 2.7 | 5.2 | 9 | 14.5 | 37 | 53 | ||
| Maximum speed (r/min) | 1800 | 1000 | ||||||
| Weight of powder (g) | 14 | 25 | 39 | 60 | 117 | 255 | ||
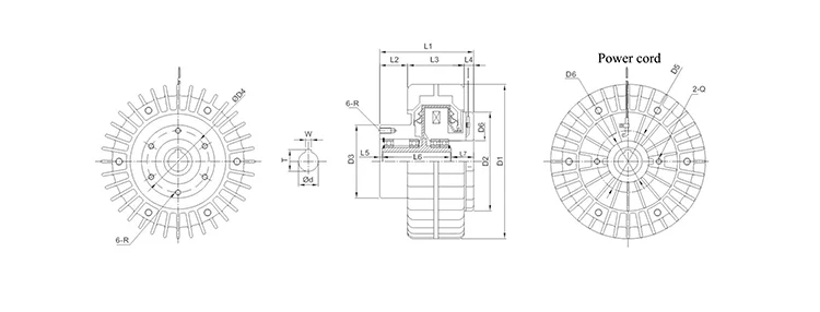
Exterior Dimension | L1 | 86 | 103 | 119 | 150 | 166 | 198 | |
| L2 | 21 | 32 | 36 | 48 | 48 | 59 | ||
| L3 | 58 | 58 | 66 | 82 | 100 | 118 | ||
| L4 | 7 | 13 | 17 | 20 | 18 | 21 | ||
| L5 | 1 | 2 | 2 | 3 | 4 | 1 | ||
| L6 | 64 | 76 | 91 | 116 | 130 | 152 | ||
| L7 | 21 | 25 | 26 | 31 | 32 | 45 | ||
| D1 | 128 | 160 | 180 | 220 | 275 | 335 | ||
| D2 | 82 | 96 | 114 | 150 | 176 | 200 | ||
| D3(g7) | 70 | 80 | 90 | 110 | 125 | 160 | ||
| D4 | 60 | 68 | 80 | 95 | 110 | 140 | ||
| D5 | 60 | 68 | 80 | 95 | 110 | 140 | ||
| D6 | 42 | 48 | 55 | 68 | 80 | 110 | ||
| R | M6*10L | M6*10L | M6*10L | M8*12L | M10*18L | M10*18L | ||
| Q | M4*8L | M6*8L | M6*8L | M8*12L | M10*18L | M10*18L | ||
| axle hole | d(H7) | 15 | 18 | 20 | 30 | 35 | 45 | |
| w(F8) | 4 | 5 | 6 | 8 | 10 | 14 | ||
| T | 16.5 | 20 | 22 | 33 | 38.5 | 49 | ||


Features:
1. High linearity and high precision torque control.
2. High temperature resistant coil superalloy magnetic powder is adopted, with long service life, smooth connection and no impact magnetic powder clutch
3, CNC precision manufacturing, high precision, precision machining, good linearity, superior performance.
4, magnetic powder high purity, no black powder, stable performance, long life.
5, aluminum alloy structure, with excellent heat dissipation performance, good demagnetization, fast response.


security guaranteed 100%
Protect Your Payment, Secure Your Order



New products from manufacturers at wholesale prices